Ti 家有一種片子,型號為CSD19534Q5A。此芯片的外觀樣式如圖:

EDA 背面絲印鏡像_引腳

可以看到,這個片子共有8個引腳,其中5、6、7和8這四個引腳的內部是連接在一起的。

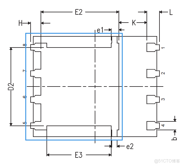
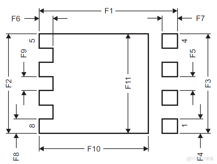
Ti 在數據手冊中也介紹了封裝的樣式:

EDA 背面絲印鏡像_封裝_02

下面,就來看看如何製作此芯片的封裝。

這裏偷懶,先使用OrCAD Library Builder生成一個大體的封裝樣式,然後再手動修改。

首先打開OrCAD Library Builder,選擇"Footprint Builder",然後選擇SOTFL封裝類型。

EDA 背面絲印鏡像_封裝_03

輸入如下的參數後點擊Generate生成可用的數據,然後使用Exports導出。

EDA 背面絲印鏡像_引腳_04

生成的封裝如圖:

EDA 背面絲印鏡像_EDA 背面絲印鏡像_05

首先,按照Ti手冊中給出的數據,使用Pad Designer建立寬0.8mm,高0.7mm的焊盤:

EDA 背面絲印鏡像_封裝_06

再繪製一箇中間的矩形焊盤,寬4.27mm,高4.46mm:

EDA 背面絲印鏡像_焊盤_07

然後打開剛剛生成的封裝,使用新建的焊盤代替原有的焊盤。

同時將中間的矩形焊盤按位置擺放:

EDA 背面絲印鏡像_EDA 背面絲印鏡像_08

此刻,會提示一個PP的DRC錯誤,即兩個焊盤之間的距離太近。這個這個錯誤是我們明確知道且可以接受的。所以,這裏手動消除此錯誤。點擊"Edit->Properties",然後選擇一個引腳,在Find標籤的"Find by Name"中選擇"Drawing",再點擊"More"按鈕,在彈出的窗口中點擊左側的"DRAWING SELECT"以選中它到右邊。

EDA 背面絲印鏡像_EDA 背面絲印鏡像_09

然後在下圖的窗口左側中找到框中的選項,選中後在右側顯示:

EDA 背面絲印鏡像_EDA 背面絲印鏡像_10

最後點擊Apply保存所有的窗口。

最終,新建一個PCB文件,將此封裝手動放入,查看3D模型,可以看到,幾個引腳的確是被底部的一整塊引腳連接在一起的(示例封裝做錯了,應該是5、6、7、8引腳連在一起):

EDA 背面絲印鏡像_EDA 背面絲印鏡像_11