低壓降穩壓器 (LDO)是一種用於調節較高電壓輸入產生的輸出電壓的簡單方法。在大多數情況下,低壓降穩壓器都易於設計和使用。然而,如今的現代應用都包括各種各樣的模擬和數字系統,而有些系統和工作條件將決定哪種LDO最適合相關電路,因此,現在我們需要關注這些決定性因素。

壓降電壓VDO,是指為實現正常穩壓,輸入電壓VIN必須高出所需輸出電壓VOUT(nom) 的最小壓差。

LDO產品的基礎知識解析_RDS

如果 VIN 低於此值,線性穩壓器將以壓降狀態工作,不再調節所需的輸出電壓。在這種情況下,輸出電壓 VOUT(dropout)將等於 VIN 減去壓降電壓的值

LDO產品的基礎知識解析_RDS_02

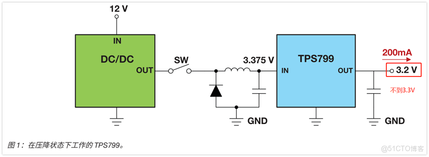
以調節後電壓為 3.3V 的 TPS799 等 LDO 為例:當輸出200mA 電流時,TPS799 的最大壓降電壓指定為 175mV。只要輸入電壓為 3.475V 或更高,就不會影響調節過程。但是,輸入電壓降至 3.375V 將導致 LDO 以壓降狀態工作並停止調節,如圖 1 所示。

LDO產品的基礎知識解析_封裝_03

雖然應將輸出電壓調節為 3.3V,但TPS799沒有保持穩壓所需的餘量電壓。因此,輸出電壓將開始跟隨輸入電壓變化。

決定壓降的因素是什麼?

壓降主要由LDO 架構決定。為説明原因,讓我們來了解一下 P 溝道金屬氧化物半導體(PMOS) 和 N 溝道 MOS (NMOS) LDO,並對比其工作情況。

PMOS LDO

圖 2 所示為 PMOS LDO 架構。為調節所需的輸出電壓,反饋迴路將控制漏-源極電阻 RDS。隨着 VIN 逐漸接近 VOUT(nom),誤差放大器將驅動柵-源極電壓 VGS 負向增大,以減小 RDS,從而保持穩壓。

LDO產品的基礎知識解析_RDS_04

但是,在特定的點,誤差放大器輸出將在接地端達到飽和狀態,無法驅動 VGS 進一步負向增大。RDS 已達到其最小值。將此 RDS 值與輸出電流 IOUT 相乘,將得到壓降電壓。

請記住,隨着 VGS 負向增大,能達到的 RDS 值越低。通過提升輸入電壓,可以使VGS 值負向增大。因此,PMOS 架構在較高的輸出電壓下具有較低的壓降。圖 3 展示了此特性。

LDO產品的基礎知識解析_RDS_05

如圖 3 所示,TPS799 的壓降電壓隨輸入電壓(也適用於輸出電壓)增大而降低。這是因為隨着輸入電壓升高 VGS會負向增大。

NMOS LDO

NMOS 架構如圖 4 所示,反饋迴路仍然控制 RDS。但是,隨着VIN 接近 VOUT(nom),誤差放大器將增大 VGS 以降低 RDS,從而保持穩壓。

LDO產品的基礎知識解析_RDS_06

在特定的點,VGS 無法再升高,因為誤差放大器輸出在電源電壓 VIN 下將達到飽和狀態。達到此狀態時,RDS處於最小值。將此值與輸出電流 IOUT 相乘,會獲得壓降電壓。

不過這也會產生問題,因為誤差放大器輸出在 VIN 處達到飽和狀態,隨着VIN 接近 VOUT(nom),VGS 也會降低。這有助於防止出現超低壓降。

偏置 LDO

很多 NMOS LDO 都採用輔助電壓軌,即偏置電壓 VBIAS,如圖5 所示。

LDO產品的基礎知識解析_封裝_07

此電壓軌用作誤差放大器的正電源軌,並支持其輸出一直襬動到高於 VIN 的 VBIAS。這種配置能夠使 LDO 保持較高 VGS,從而在低輸出電壓下達到超低壓降。有時並未提供輔助電壓軌,但仍然需要在較低的輸出電壓下達到低壓降。在這種情況下,可以用內部電荷泵代替 VBIAS,如圖 6 所示。

LDO產品的基礎知識解析_熱阻_08

電荷泵將提升 VIN,以便誤差放大器在缺少外部 VBIAS 電壓軌的情況下仍可以生成更大的 VGS 值。

其它因素

除了架構之外,壓降還會受到其他一些因素的影響,如表 1所示。

LDO產品的基礎知識解析_熱阻_09

很顯然,壓降並不是一個靜態值。雖然這些因素會提高選擇LDO 的複雜程度,但同時,還能幫助您根據特定的條件選擇最適合的 LDO。

LDO電容的選擇

為了讓 LDO 正常工作,需要配備輸出電容器。將 LDO 用於實際應用時,如何選擇適當的輸出電容器是一個常見的問題。因此,讓我們來探討一下選擇輸出電容器時需要考慮的各種事項及其對 LDO 的影響。

什麼是電容器

電容器是用於儲存電荷的器件,其中包含一對或多對由絕緣體分隔的導體。電容器通常由鋁、鉭或陶瓷等材料製成。各種材料的電容器在系統中使用時具有各自的優缺點,如表 1 所示。

陶瓷電容器通常是理想的選擇,因為其電容變化最小,而且成本較低。

LDO產品的基礎知識解析_熱阻_10

什麼是電容?

電容器是用於儲存電荷的器件,而電容是指儲存電荷的能力。在理想情況下,電容器上標註的值應與其提供的電容量完全相同。但我們並未處於理想情況下,不能只看電容器上標註的值。稍後您將發現電容器的電容可能只有其額定值的10%。這可能是由於直流電壓偏置降額、温度變化降額或製造商容差造成的。

直流電壓降額

考慮到電容器的動態特性(以非線性方式存儲和耗散電荷),有些極化現象在不施加外部電場的情況下也可能會出現;這就是所謂的“自發極化”。自發極化是由材料的不活躍電場引起的,不活躍電場為電容器提供初始電容。對電容器施加外部直流電壓會生成電場,生成的電場會反轉初始極化,然後將剩餘的有源偶極子“鎖定”或極化到位。極化與電介質內電場的方向有關。

如圖1所示,鎖定的偶極子不會對交流電壓瞬變作出反應;因此,有效電容低於施加直流電壓前的值。

LDO產品的基礎知識解析_熱阻_11

圖2顯示了對電容器施加電壓所產生的影響以及產生的電容。請注意,外殼尺寸較大時損失的電容較小;這是因為外殼尺寸越大,導體之間存在的電介質越多,而這會降低電場強度並減少鎖定的偶極子數。

LDO產品的基礎知識解析_封裝_12

温度降額

與所有電子器件類似,電容器的額定温度高於其額定性能對應的温度。這種温度降額通常會使電容器的電容低於電容器上標註的數值。表2為電容器温度係數額定值解碼錶。

LDO產品的基礎知識解析_封裝_13

大多數 LDO 結温範圍通常為 -40°C 到 125°C。根據此温度範圍,X5R 或 X7R 電容器是理想選擇。

如圖 3 所示,温度對電容的影響遠小於直流偏置降額所產生的影響,直流偏置降額可使電容值降低 90%。

LDO產品的基礎知識解析_熱阻_14

實際應用

常見的 LDO 應用可能是從 3.6V 電池獲得輸入電壓,然後將其降低,為微控制器 (1.8V) 供電。在本例中,我們使用 10µF X7R 陶瓷電容器,0603 封裝。0603 封裝是指電容器的尺寸:0.06in x 0.03in。

我們來確定一下此應用中上述電容器的實際電容值:

a、直流偏置降額:從製造商提供的電容器直流偏置特性圖表(圖2)可以看出,直流偏置電壓為 1.8V 時,電容值為 7µF。

b、温度降額:基於 X7R 編碼,如果在 125°C 的環境温度下應用此電容器,電容值會另外下降 15%,此時的新電容值為 5.5µF。

c、 製造商容差:考慮到 ±20% 的製造商容差,最終的電容值為3.5µF。

可以看出,在上述條件下應用電容器時,10µF 電容器的實際電容值為 3.5µF。電容值已降低至標稱值的 65% 左右。顯然,上述所有條件並非對任何應用都適用,但務必要了解將電容器用於實際應用時電容值的範圍。

儘管 LDO 和電容器乍看起來似乎很簡單,但還有其他因素決定着 LDO 正常工作所需的有效電容。

熱性能

低壓降穩壓器 (LDO) 的特性是通過將多餘的功率轉化為熱量來實現穩壓,因此,該集成電路非常適合低功耗或VIN 與 VOUT 之差較小的應用。考慮到這一點,選擇採用適當封裝的適當 LDO 對於最大程度地提高應用性能至關重要。這一點正是令設計人員感到棘手之處,因為最小的可用封裝並不總能符合所需應用的要求。

選擇 LDO 時要考慮的最重要特性之一是其熱阻 (RθJA)。RθJA 呈現了 LDO 採用特定封裝時的散熱效率。RθJA 值越大,表示此封裝的散熱效率越低,而值越小,表示器件散熱效率越高。

封裝尺寸越小,RθJA 值通常越大。

例如,TPS732 根據封裝不同而具有不同的熱阻值:小外形晶體管 (SOT)-23 (2.9mm x 1.6mm) 封裝的熱阻為205.9°C/W,而 SOT-223 (6.5mm x 3.5mm) 封裝的熱阻為 53.1°C/W。這意味着 TPS732 每消耗1W 功率,温度就會升高 205.9°C 或 53.1°C。這些值可參見器件數據表的“熱性能信息”部分,如表 1 所示。

LDO產品的基礎知識解析_熱阻_15

是否選擇了適合的封裝?

建議的 LDO 工作結温介於-40°C 至 125°C 之間;同樣,可以在器件數據表中查看這些值,如表 2 所示。

LDO產品的基礎知識解析_封裝_16

這些建議的温度表示器件將按數據表中“電氣特性”表所述工作。可以使用公式 1 確定哪種封裝將在適當的温度下工作。

LDO產品的基礎知識解析_RDS_17

其中 TJ 為結温,TA 為環境温度,RθJA 為熱阻(取自數據表),PD 為功耗,Iground 為接地電流(取自數據表)。

下面給出了一個簡單示例,使用 TPS732 將 5.5V 電壓下調至3V,輸出電流為 250mA,採用 SOT-23 和 SOT-223 兩種封裝。

LDO產品的基礎知識解析_封裝_18

熱關斷

結温為 154.72°C 的器件不僅超過了建議的温度規範,還非常接近熱關斷温度。關斷温度通常為 160°C;這意味着器件結温高於 160°C 時會激活器件內部的熱保護電路。此熱保護電路會禁用輸出電路,使器件温度下降,防止器件因過熱而受到損壞。

當器件的結温降至 140°C 左右時,會禁用熱保護電路並重新啓用輸出電路。如果不降低環境温度和/或功耗,器件可能會在熱保護電路的作用下反覆接通和斷開。如果不降低環境温度和/或功耗,則必須更改設計才能獲得適當的性能。

一種比較明確的設計解決方案是採用更大尺寸的封裝,因為器件需要在建議的温度下工作。下文介紹了有助於最大程度地減少熱量的一些提示和技巧。

增大接地層、VIN 和 VOUT 接觸層的尺寸

當功率耗散時,熱量通過散熱焊盤從 LDO 散出;因此,增大印刷電路板 (PCB) 中輸入層、輸出層和接地層的尺寸將會降低熱阻。

如圖 1 所示,接地層通常儘可能大,覆蓋 PCB 上未被其他電路跡線佔用的大部分區域。該尺寸設計原則是由於許多元件都會生成返回電流,並且需要確保這些元件具有相同的基準電壓。最後,接觸層有助於避免可能會損害系統的壓降。大的接觸層還有助於提高散熱能力並最大限度地降低跡線電阻。增大銅跡線尺寸和擴大散熱界面可顯著提高傳導冷卻效率。

在設計多層 PCB 時,採用單獨的電路板層(包含覆蓋整個電路板的接地層)通常是個不錯的做法。這有助於將任何元件接地而不需要額外連線。元件引腳通過電路板上的孔直接連接到包含接地平面的電路板層。

LDO產品的基礎知識解析_封裝_19

串聯電阻分擔功耗

可以在輸入電壓側串聯電阻,以便分擔一些功耗;圖 3 所示為相關示例。該技術的目標是使用電阻將輸入電壓降至可能的最低水平。

LDO產品的基礎知識解析_RDS_20

由於 LDO 需要處於飽和狀態以進行適當調節,可以通過將所需的輸出電壓和壓降相加來獲得最低輸入電壓。公式 2 表示了LDO 的這兩種屬性的計算方式:

LDO產品的基礎知識解析_封裝_21

使用 TPS732 示例中的條件(輸出 250mA 電流,將 5.5V 調節至 3V),可以使用公式 3 計算電阻的最大值以及該電阻消耗的最大功率:

LDO產品的基礎知識解析_RDS_22

選擇適合的電阻,確保不會超過其“額定功耗”。此額定值表示在不損壞自身的情況下電阻可以將多少瓦功率轉化為熱量。因此,如果 VIN = 5.5V、VOUT = 3V、VDROPOUT = 0.15V(取自數據表)、IOUT = 250mA 且 IGROUND = 0.95mA(取自數據表),則:

LDO產品的基礎知識解析_熱阻_23

電流限制

在一些外部條件和情況下,LDO 可能會出現意外的高流耗。如果此高電流傳輸到其他正被供電的電子系統,會對大多數電子系統以及主機電源管理電路造成損害。選擇具有電流限制和內部短路保護的 LDO,將有助於防止產生這種不良影響,並在設計整體電源管理模塊時提供額外保護。

什麼是電流限制功能,該功能如何運作?

LDO 中的電流限制定義為,建立所施加電流的上限。與恆流源不同,LDO 按需輸出電流,同時還會控制調節的總功率。

電流限制通過用於控制 LDO 內輸出級晶體管的內部電路實現,見圖 1。這是一種典型的 LDO 限流電路,由於達到限值後該電路會突然停止輸出電流,通常被稱為“磚牆”電流限制。此內部電路中,LDO 測量反饋的輸出電壓,同時測量輸出電流相對於內部基準 (IREF) 的縮放鏡像。

LDO產品的基礎知識解析_封裝_24

磚牆電流限制

在磚牆電流限制中,已定義電流上限,LDO會逐漸增大供應電流,直至達到電流限制。一旦超過電流限制,輸出電壓不再進行調節,並由負載電路的電阻 (RLOAD) 和輸出電流限制 (ILIMIT)確定(公式 1):

LDO產品的基礎知識解析_封裝_25

只要結温處於可接受的範圍 (TJ < 125°C) 內時,熱阻 (θJA)允許正常的功耗,傳輸晶體管就繼續此操作並耗散功率。當VOUT 過低且達到温度上限時,熱關斷功能將斷開器件,保護器件免受永久性損害。器件温度降低後,它將重新接通,並且可以繼續進行穩壓調節。這在可能出現短路的情況下尤為重要,因為 LDO 會繼續將 VOUT 調節至 0V。

例如,TI 的 TPS7A16 可以在寬電壓範圍內限制高電流輸出。圖2 所示為 30V 輸入條件下限流功能的行為示例。可以看出,一旦超過電流限制,LDO 繼續以限值輸出電流,但不再將VOUT調節至 3.3V。一旦超過 105mA 的熱限制,將啓動熱關斷功能。

LDO產品的基礎知識解析_RDS_26

該限流功能有助於對鎳鎘和鎳氫單單元電池充電,因為這兩種電池都需要恆定的電流供應。電池電壓在電池充電時會發生變化,TPS7A16 等 LDO 有助於將恆定電流保持在限值 (I)。

防止出現反向電流

在大多數低壓降穩壓器 (LDO) 中,電流沿特定方向流動,電流方向錯誤會產生重大問題!反向電流是指從 VOUT 流向 VIN 而不是從 VIN 流向 VOUT 的電流。這種電流通常會穿過LDO 的體二極管,而不會流過正常的導電通道,有可能引發長期可靠性問題甚至會損壞器件。

LDO 主要包括三個組成部分(見圖 1):帶隙基準、誤差放大器和導通場效應晶體管 (FET)。在典型應用中,導通 FET 與任何標準 FET 一樣,在源極和漏極之間傳導電流。用於產生 FET體的摻雜區(稱為塊體)與源極相連;這會減小閾值電壓變化量。

LDO產品的基礎知識解析_熱阻_27

將塊體與源極相連有一個缺點,即會在FET 中形成寄生體二極管,如圖 2 所示。此寄生二極管被稱為體二極管。在這種配置中,當輸出超過輸入電壓與寄生二極管的 VFB 之和時,體二極管將導通。流經該二極管的反向電流可能會使器件温度升高、出現電遷移或閂鎖效應,從而導致器件損壞。

在設計 LDO 時,務必要將反向電流以及如何防止出現反向電流納入考量。有四種方法可以防止反向電流:其中兩種在應用層實施,另外兩種在集成電路 (IC) 設計過程中實施。

LDO產品的基礎知識解析_熱阻_28

使用肖特基二極管

如圖 3 所示,在輸出和輸入之間使用肖特基二極管可以在輸出電壓超過輸入電壓時防止 LDO 中的體二極管導通。您必須使用肖特基二極管,肖特基二極管的正向電壓較低,而傳統二極管的正向電壓與肖特基二極管相比要高得多。在正常工作中,肖特基二極管會進行反向偏置,不會傳到任何電流。此方法的另一項優勢是,在輸出和輸入之間放置肖特基二極管後,LDO的壓降電壓不會增大。

LDO產品的基礎知識解析_RDS_29

在 LDO 之前使用二極管

如圖 4 所示,此方法在 LDO 之前使用二極管以防電流流回到電源。這是一種防止出現反向電流的有效方法,但它也會增大防止 LDO 出現壓降所需的必要輸入電壓。置於 LDO 輸入端的二極管在反向電流條件下會變為反向偏置狀態,不允許任何電流流過。此方法與下一種方法類似。

LDO產品的基礎知識解析_RDS_30

額外增加一個 FET

設計有阻止反向電流功能的 LDO 通常會額外增加一個 FET,以此幫助防止反向電流。如圖 5 所示,兩個 FET 的源級背靠背放置,以便體二極管面對面放置。現在,當檢測到反向電流條件時,其中一個晶體管將斷開,電流將無法流過背靠背放置的二極管。

LDO產品的基礎知識解析_熱阻_31

此方法最大的缺點之一是使用此架構時壓降電壓基本上會翻倍。為降低壓降電壓,需要增大金屬氧化物半導體場效應晶體管 (MOSFET) 的尺寸,因此將增大解決方案的整體尺寸。應用於汽車中的 LDO(如 TI 的 TPS7B7702-Q1)使用此方法防止出現反向電流。

電源抑制比

低壓降穩壓器 (LDO) 最受歡迎的優勢之一是,能夠衰減開關模式電源生成的電壓紋波。這對於數據轉換器、鎖相環 (PLL) 和時鐘等信號調節器件而言尤為重要,因為含有噪聲的電源電壓會影響這類器件的性能。電源抑制比 (PSRR)仍然常被誤認為是單個靜態值,下面讓我們討論一下什麼是 PSRR,以及影響它的因素有哪些。

什麼是 PSRR?

PSRR 是一個常見技術參數,在許多 LDO 數據表中都會列出。它規定了特定頻率的交流元件從 LDO 輸入衰減到輸出的程度。公式 1 將 PSRR 表示為:

LDO產品的基礎知識解析_封裝_32

公式 1 表明衰減程度越高,以分貝表示的 PSRR 值將越大。(某些供應商採用負號來表示衰減,而大多數供應商,包括 TI在內,卻並非如此。)

在數據表的電氣特性表中,常常可以找到在 120Hz 或 1kHz 頻率下規定的 PSRR。但是,單獨使用此參數可能無法確定給定的 LDO 是否滿足具體的濾波要求。下面,對原因進行具體説明。

確實適合應用的 PSRR

圖 1 所示為將 12V 電壓軌調節至 4.3V 的直流/直流轉換器。後面連接了 TPS717,這是一款 PSRR 值較高的 LDO,用於調節3.3V 電壓軌。4.3V 電壓軌上因開關生成的紋波為 ±50mV。LDO 的 PSRR 將確定在 TPS717 的輸出端剩餘的紋波量。

LDO產品的基礎知識解析_熱阻_33

為確定衰減程度,首先必須瞭解出現紋波的頻率。假設此示例中對應的頻率為 1MHz,因為此值正好處於常見開關頻率範圍的中間。可以看到,在 120Hz 或 1kHz 下指定的 PSRR 值對此分析沒有任何幫助。相反,您必須參考圖 2 中的 PSRR 圖。

LDO產品的基礎知識解析_熱阻_34

在以下條件下,1MHz 時的 PSRR 指定為 45dB。

IOUT = 150mA

VIN - VOUT = 1V

COUT = 1μF

假設這些條件與具體的應用條件相符。在此情況下,45dB 相當於 178 的衰減係數。可以預計,輸入端的 ±50mV 紋波在輸出端將被降至 ±281μV。

更改條件

但是,假設您更改了條件並決定將VIN - VOUT 減小到 250mV,以便更有效地進行調節。那麼,您需要參考圖 3 中的曲線。

LDO產品的基礎知識解析_RDS_35

可以看到,如果保持所有其他條件不變,1MHz時的 PSRR 減小到 23dB,即衰減係數為 14。這是因為互補金屬氧化物半導體 (CMOS) 導通元件進入三極管(或線性)區,即,隨着 VIN -VOUT 的值接近壓降電壓,PSRR 開始降低。(請記住,壓降電壓是輸出電流及其他因素的函數。因此,較低的輸出電流會降低壓降電壓,有助於提高 PSRR。)

更改輸出電容器的電容值也會產生影響,如圖 4 所示。

LDO產品的基礎知識解析_封裝_36

將輸出電容器的電容值從 1μF 提高到 10μF 時,儘管 VIN - VOUT的值仍然為 250mV,1MHz 時的 PSRR 將增大到 42dB。曲線中的高頻峯已向左移動。這是由於輸出電容器的阻抗特性導致的。通過適當調整輸出電容值,可以調整或增大衰減程度,以便與特定開關噪聲頻率保持一致。

調整所有參數

僅靠調整 VIN - VOUT 和輸出電容,就可以提高特定應用的PSRR。但影響 PSRR 的因素並不僅限於這兩項。表 1 概述了對其產生影響的多個因素。

LDO產品的基礎知識解析_熱阻_37