功能描述

1、採用51單片機作為主控芯片;
2、計時精度達到0.01秒;
3、採用8位數碼管顯示:計時、計時存儲值;
4、按鍵控制開始、停止、存儲、上下翻存儲值;
5、計時中按下存儲,存儲當前秒數,最多存儲100組;
6、支持串口通信,計算機可查詢存儲值。

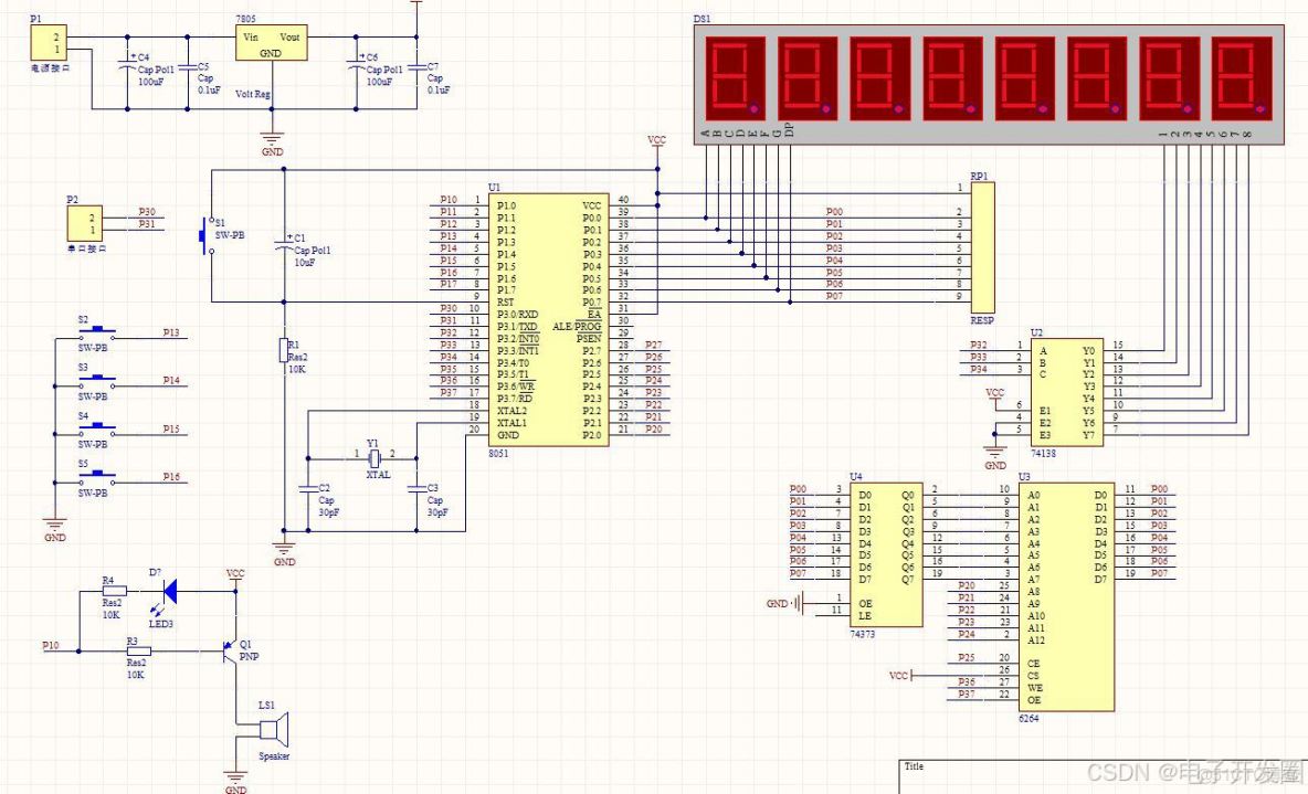
電路設計

採用Altium Designer作為電路設計工具。Altium Designer通過把原理圖設計、PCB繪製編輯、拓撲邏輯自動佈線、信號完整性分析和設計輸出等技術的完美融合,為設計者提供了全新的設計解決方案,使設計者可以輕鬆進行設計,熟練使用這一軟件必將使電路設計的質量和效率大大提高。

0132-基於單片機-秒錶(100組存儲)-系統設計(SEG8+UART)_上拉

單片機管腳説明:

P0端口(P0.0-P0.7):P0口為一個8位漏極開路雙向I/O口,每個引腳可吸收8TTL門電流。當P1口的管腳第一次寫1時,被定義為高阻輸入。P0能夠用於外部程序數據存儲器,它可以被定義為數據/地址的第八位。在FIASH編程時,P0 口作為原碼輸入口,當FIASH進行校驗時,P0輸出原碼,此時P0外部必須被拉高。

P1端口(P1.0-P1.7):P1口是一個內部提供上拉電阻的8位雙向I/O口,P1口緩衝器能接收輸出4TTL門電流。P1口管腳寫入1後,被內部上拉為高電平,可用作輸入,P1口被外部下拉為低電平時,將輸出電流,這是由於內部上拉的緣故。在FLASH編程和校驗時,P1口作為第八位地址接收。

P2端口(P2.0-P2.7):P2口為一個內部上拉電阻的8位雙向I/O口,P2口緩衝器可接收,輸出4個TTL門電流,當P2口被寫“1”時,其管腳被內部上拉電阻拉高,且作為輸入。並因此作為輸入時,P2口的管腳被外部拉低,將輸出電流。這是由於內部上拉的緣故。P2口,用於外部程序存儲器或16位地址外部數據存儲器進行存取時,P2口輸出地址的高八位。在給出地址“1”時,它利用內部上拉優勢,當對外部八位地址數據存儲器進行讀寫時,P2口輸出其特殊功能寄存器的內容。P2口在FLASH編程和校驗時接收高八位地址信號和控制信號。

P3端口(P3.0-P3.7):P3口管腳是一個帶有內部上拉電阻的8位的雙向I/O端口,可接收輸出4個TTL門電流。當P3口寫入“1”後,它們被內部上拉為高電平,並用作輸入。作為輸入端時,由於外部下拉為低電平,P3口將輸出電流(ILL)。P3口同時為閃爍編程和編程校驗接收一些控制信號。

仿真設計

採用Proteus作為仿真設計工具。Proteus是一款著名的EDA工具(仿真軟件),從原理圖布圖、代碼調試到單片機與外圍電路協同仿真,一鍵切換到PCB設計,真正實現了從概念到產品的完整設計。

0132-基於單片機-秒錶(100組存儲)-系統設計(SEG8+UART)_上拉電阻_02

主程序設計

void main()
{
	uchar k=0;
	SCON=0X50;			//設置為工作方式1
	TMOD=0X21;			//設置計數器工作方式2
	TH1=0XFD;			
	TL1=0XFD;
	ES=1;						//打開接收中斷
	TR1=1;					//打開計數器

	TH0=(65536-10000)/256;
	TL0=(65536-10000)%256;
	ET0=1;//打開定時器0中斷允許
	EA=1;//打開總中斷
	while(1)
	{
		if(!k1 &&(k!=1))//開始,停止
		{
			k=1;
			TR0=!TR0;
			fen=0;miao=0;time=0;
			cha=0;
			num=0;
			beep_time=30;
		} 
		if(!k2 &&(k!=2))//存儲
		{
			k=2;
			beep_time=30;
			shu[num][0]=fen;
			shu[num][1]=miao;
			shu[num][2]=time;
			if(num<99)
				num++;
		}
		if(!TR0)
		{
			if(!k3 &&(k!=3))//上翻
			{
				k=3;
				beep_time=30;
				if(cha>0)
					cha--;
				else
					cha=99;
			}
			if(!k4 &&(k!=4))//下翻
			{
				k=4;
				beep_time=30;
				if(cha<99)
					cha++;
				else
					cha=0;
			}
		}