一、穩態分析

1、小紋波近似

【知識點總結】電力電子技術——第一講_電力電子技術知識點_原理圖

2、穩態下的原則

(1)電感的伏秒平衡:

【知識點總結】電力電子技術——第一講_電力電子技術知識點_輸入輸出_02

【知識點總結】電力電子技術——第一講_電力電子技術知識點_輸入輸出_03

(2)電容的電荷平衡:

【知識點總結】電力電子技術——第一講_電力電子技術知識點_原理圖_04

3、紋波計算

(1)在基礎篇中,求解一個變換器器件的紋波步驟如下:

①一個合理的變換器,必須有輸出電壓遠大於紋波,因此可對輸出電壓使用小紋波近似。

②使用子狀態法寫出每個子狀態下的電路方程,獲取各元件的電流、電壓表達式。

③根據元件的電流、電壓表達式及元件的伏安特性,藉助數形結合法求出電感電流的紋波及電容電壓的紋波。

(2)以上步驟細看可能會引發疑問,對輸出電壓使用小紋波近似,結果又反求輸出電壓的紋波,直覺上形成左右腦互搏,這裏需要説明的是,對輸出電壓使用小紋波近似,是為了更方便地求出其它元件的直流量,這與紋波分析並不衝突,當然,既然應用了近似的求解方法,結果難以避免地會存在誤差,但是是在可接受範圍內的。

二、非連續導電模式

1、斷續模式(DCM)的概念及發生原因

(1)在某些電路中,電感電流或電容電壓的紋波分量可能會引起開關電流會電壓的極性反轉,從而違反了在實現開關時所做的單向電流或單向電壓的假設,這時稱之進入斷續模式。

(2)斷續模式通常發生在具有單象限開關的直流-直流轉換器和整流器中,也可能發生在具有雙象限開關的轉換器中。

2、斷續模式的分析

(1)以下圖所示的Buck電路為例,其中二極管是一個單象限開關。

【知識點總結】電力電子技術——第一講_電力電子技術知識點_整流器_05

(2)在紋波分量遠比直流分量小的前提下,對其進行動態分析:

【知識點總結】電力電子技術——第一講_電力電子技術知識點_輸入輸出_06

(3)在以上分析的基礎上,降低負載電流(提高負載阻值),使二極管電流的最小值為零,電感電流的直流分量等於紋波分量幅值,對其進行動態分析:

【知識點總結】電力電子技術——第一講_電力電子技術知識點_原理圖_07

【知識點總結】電力電子技術——第一講_電力電子技術知識點_輸入輸出_08

(4)在以上分析的基礎上,繼續降低負載電流(提高負載阻值),使電感電流的直流分量小於紋波分量幅值,對其進行動態分析:

【知識點總結】電力電子技術——第一講_電力電子技術知識點_整流器_09

【知識點總結】電力電子技術——第一講_電力電子技術知識點_輸入輸出_10

3、斷續模式和連續模式的邊界條件

(1)以上述的Buck電路為例繼續介紹,從上面的分析可知斷續模式和連續模式的邊界。

【知識點總結】電力電子技術——第一講_電力電子技術知識點_#電力電子_11

(2)電感電流的直流分量和紋波分量都可使用控制參數和硬件參數進行展開,由此可得出Buck電路進入斷續模式的條件。

【知識點總結】電力電子技術——第一講_電力電子技術知識點_原理圖_12

【知識點總結】電力電子技術——第一講_電力電子技術知識點_輸入輸出_13

(3)Boost電路、Buck-Boost轉換器的邊界條件可用同樣的方法推導,結果如下表所示。

【知識點總結】電力電子技術——第一講_電力電子技術知識點_輸入輸出_14

三、開關

1、單級單擲開關(SPST)

(1)對於一個單級開關,其電壓和電流的極性是已定義的,其導通狀態可能取決於施加的電壓或電流,不過需要説明的是,這裏的開關指的是理想開關,也就是説,當開關存在非零電壓或非零電流時,相應地其電流或電壓為零,一般認為開關接合時(可能)有電流且無電壓,開關斷開時無電流且(可能)有電壓。

【知識點總結】電力電子技術——第一講_電力電子技術知識點_整流器_15

(2)單刀雙擲開關有兩種不同的狀態(也可認為有三種,第三種即為懸空,不連接位置1和位置2,但一般不討論),而將其轉換為兩個單級單擲開關後,它們經過排列組合可以有四種不同的狀態。

【知識點總結】電力電子技術——第一講_電力電子技術知識點_整流器_16

2、功率器件的運行象限

(1)二極管的運行象限:

①二極管屬於單象限被動開關,可以導通正向導通電流,可以阻斷負向的關斷狀態電壓,如果預期的開關導通和關斷工作點位於二極管的伏安特性上,那麼開關可以用二極管實現。

【知識點總結】電力電子技術——第一講_電力電子技術知識點_整流器_17

②對二極管電流和電壓方向的定義不同,那麼二極管的運行象限也隨之不同,如下圖所示。

【知識點總結】電力電子技術——第一講_電力電子技術知識點_整流器_18

(2)BJT和IGBT的運行象限:

①BJT和IGBT都是由終端(設為G)控制的單象限有源開關,可以導通正向導通電流,可以阻斷正向的關斷狀態電壓,如果預期的開關導通和關斷工作點位於晶體管的伏安特性上,那麼開關可以用BJT或IGBT實現。

【知識點總結】電力電子技術——第一講_電力電子技術知識點_原理圖_19

②對BJT/IGBT電流和電壓方向的定義不同,那麼BJT/IGBT的運行象限也隨之不同。

(3)MOSFET的運行象限:

①MOSFET是由終端(設為G)控制的有源開關,可以導通正向導通電流,在某些情況下也可以導通負向電流,可以阻斷正向的關斷狀態電壓,如果預期的開關導通和關斷工作點位於MOSFET的伏安特性上,那麼開關可以用MOSFET實現。

【知識點總結】電力電子技術——第一講_電力電子技術知識點_原理圖_20

②對MOSFET電流和電壓方向的定義不同,那麼MOSFET的運行象限也隨之不同。

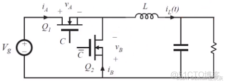
3、開關實現使用的元件選擇

(1)在基礎篇中,曾介紹道開關實現使用的元件選擇需要考慮運行象限,當然,這並沒有錯,但在考慮運行象限的同時,還需要考慮開關的損耗。

(2)Buck電路中的開關元件可以使用BJT和二極管實現,然而,當目標輸出電壓為1V時,此時電路中的二極管的壓降無法忽略,這就導致半導體開關的損耗較為嚴重,對此可以將其替換為損耗更小的MOSFET管,其導通電阻小,損耗比較理想,只要控制其模仿二極管的開關行為即可,當然,代價是需要使用額外的控制信號控制其開通或關斷。

【知識點總結】電力電子技術——第一講_電力電子技術知識點_整流器_21

【知識點總結】電力電子技術——第一講_電力電子技術知識點_整流器_22

四、變換器衍變操作

1、反向連接

【知識點總結】電力電子技術——第一講_電力電子技術知識點_#電力電子_23

【知識點總結】電力電子技術——第一講_電力電子技術知識點_輸入輸出_24

2、級聯連接

【知識點總結】電力電子技術——第一講_電力電子技術知識點_輸入輸出_25

3、開關網絡旋轉

(1)開關網絡的概念:

        開關網絡並不是有規定的幾種,其構成是任意的,如下圖所示,將電感和單刀雙擲開關視為一個三端子單元,它可以以三種不同的方式連接在電源和負載之間

【知識點總結】電力電子技術——第一講_電力電子技術知識點_整流器_26

本質上就是對開關網絡進行旋轉

(2)開關網絡分析:

【知識點總結】電力電子技術——第一講_電力電子技術知識點_輸入輸出_27

(3)開關網絡旋轉對電路的影響分析:

        繼續以前面Buck電路的改制電路為例進行分析

【知識點總結】電力電子技術——第一講_電力電子技術知識點_#電力電子_28

【知識點總結】電力電子技術——第一講_電力電子技術知識點_#電力電子_29

(4)其它開關網絡:

        本章僅介紹最簡單的開關網絡,前面以一個電感和一個單刀雙擲開關構成的開關網絡為例進行介紹,同樣的,最簡單的開關網絡還有以一個電容和一個單刀雙擲開關構成的開關網絡,如下圖所示

【知識點總結】電力電子技術——第一講_電力電子技術知識點_輸入輸出_30

        上圖由帶LC濾波器的Buck電路改制,當連接方式為“a-A b-B c-C”時為帶LC濾波器的Buck電路,當連接方式為“a-C b-A c-B”時為帶LC濾波器的Boost電路,當連接方式為“a-A b-C c-B”時為Cuk電路

        電感和單刀雙擲開關構成的三端子單元使用伏秒平衡分析,那麼相應地,電容和一個單刀雙擲開關構成的三端子單元則需要使用電荷平衡分析,需要注意電流的參考方向,具體分析過程此處不再進行贅述

4、差分連接

【知識點總結】電力電子技術——第一講_電力電子技術知識點_原理圖_31

【知識點總結】電力電子技術——第一講_電力電子技術知識點_原理圖_32

五、DC/DC變換器

1、變壓器模型

(1)理想變壓器模型:

【知識點總結】電力電子技術——第一講_電力電子技術知識點_原理圖_33

【知識點總結】電力電子技術——第一講_電力電子技術知識點_#電力電子_34

(2)實際變壓器模型:

【知識點總結】電力電子技術——第一講_電力電子技術知識點_整流器_35

【知識點總結】電力電子技術——第一講_電力電子技術知識點_#電力電子_36

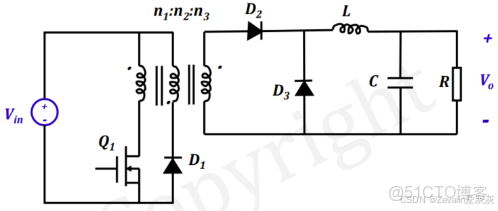
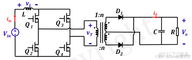
2、正激變換器

(1)下圖所示的是正激變換器的原理圖,它是基於Buck電路的隔離型轉換器,其工作的最大佔空比有限值,在晶體管關閉時需重置變壓器。

【知識點總結】電力電子技術——第一講_電力電子技術知識點_#電力電子_37

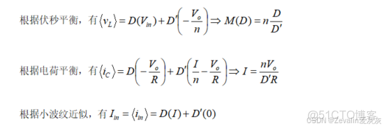
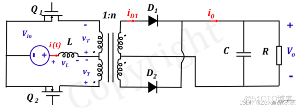
(2)正激變換器模型的分析:

【知識點總結】電力電子技術——第一講_電力電子技術知識點_輸入輸出_38

【知識點總結】電力電子技術——第一講_電力電子技術知識點_#電力電子_39

【知識點總結】電力電子技術——第一講_電力電子技術知識點_整流器_40

【知識點總結】電力電子技術——第一講_電力電子技術知識點_原理圖_41

【知識點總結】電力電子技術——第一講_電力電子技術知識點_整流器_42

【知識點總結】電力電子技術——第一講_電力電子技術知識點_輸入輸出_43

(3)在設計正激變換器時,需要注意器件的能力閾值(實際上,設計任何變換器都應當注意),所以在進行模型分析時,應該求出每個器件可能承受的最大電壓/電流,在進行器件選型和匝數比設計時,需要保證器件在模型中工作永遠不會超過能力上限。

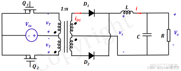
3、反激變換器

(1)下圖所示的是反激變換器的原理圖,它是基於Buck-Boost電路的隔離型轉換器。

【知識點總結】電力電子技術——第一講_電力電子技術知識點_#電力電子_44

(2)反激變換器模型的分析:

        反激變換器的模型如下圖所示

【知識點總結】電力電子技術——第一講_電力電子技術知識點_#電力電子_45

【知識點總結】電力電子技術——第一講_電力電子技術知識點_輸入輸出_46

【知識點總結】電力電子技術——第一講_電力電子技術知識點_輸入輸出_47

(3)反激變換器不存在“變壓器重置”的狀態,因此它不適用於大功率場合。

4、橋式隔離降壓變換器

        下圖所示的分別是全橋隔離降壓變換器的原理圖,它是基於Buck電路演變的全橋式隔離型轉換器

【知識點總結】電力電子技術——第一講_電力電子技術知識點_#電力電子_48

5、推輓隔離降壓變換器

        下圖所示的是推輓隔離降壓變換器的原理圖,它的工作原理和全橋隔離降壓變換器十分類似,可以認為是全橋隔離降壓變換器的改版,犧牲變壓器的複雜度減少有源開關的使用

【知識點總結】電力電子技術——第一講_電力電子技術知識點_輸入輸出_49

6、橋式隔離升壓變換器

        下圖所示的是全橋隔離升壓變換器的原理圖,它是基於Boost電路演變的全橋式隔離型轉換器

【知識點總結】電力電子技術——第一講_電力電子技術知識點_輸入輸出_50

7、推輓隔離升壓變換器

        下圖所示的是推輓隔離升壓變換器的原理圖,它的工作原理和全橋隔離升壓變換器十分類似,可以認為是全橋隔離升壓變換器的改版,犧牲變壓器的複雜度減少有源開關的使用

【知識點總結】電力電子技術——第一講_電力電子技術知識點_輸入輸出_51

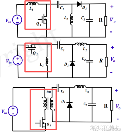
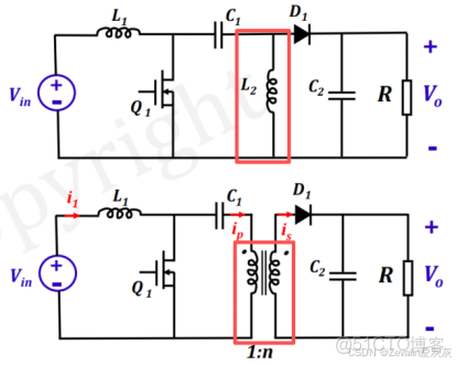
8、構建隔離型變換器的方法案例

(1)以SEPIC變換器為例,介紹通過將電感元件替換為帶勵磁電感的變壓器構建隔離型變換器。

①直接將電感元件替換為帶勵磁電感的變壓器:

【知識點總結】電力電子技術——第一講_電力電子技術知識點_輸入輸出_52

②調整晶體管和電感元件的位置,再將電感元件替換為帶勵磁電感的變壓器:

【知識點總結】電力電子技術——第一講_電力電子技術知識點_輸入輸出_53

(2)以Cuk變換器為例,介紹通過在電容元件中插入帶勵磁電感的變壓器構建隔離型變換器。

        將一個電容串聯拆分為兩個電容,在它們之間併入一個帶勵磁電感的變壓器:

【知識點總結】電力電子技術——第一講_電力電子技術知識點_輸入輸出_54

(3)構建隔離型變換器時務必注意,插入變壓器相當於在等效電路插入了勵磁電感,必須要保證勵磁電感在工作過程中不會飽和,也即滿足伏秒平衡原則。

六、整流器

1、單相不可控整流器

(1)下圖所示的是純電阻負載的單相半波整流器原理圖及其輸入輸出波形,其中使用的是“理想二極管”,認為其正向導通電壓為0。

【知識點總結】電力電子技術——第一講_電力電子技術知識點_整流器_55

(2)下圖所示的是純電阻負載的兩種全波整流器原理圖及其輸出波形(輸入波形與上面一例相同),其中使用的均為“理想二極管”,認為它們的正向導通電壓均為0。

【知識點總結】電力電子技術——第一講_電力電子技術知識點_原理圖_56

(3)當負載是電感與電阻串聯時,單相半波整流器原理圖及其輸入輸出波形如下圖所示。

【知識點總結】電力電子技術——第一講_電力電子技術知識點_#電力電子_57

(4)當負載有電感且電感值很大時(感值越大,紋波越小),應用小波紋近似,可將它視為電流源(理想電流源無內阻,其自身不會產生壓降),於是二極管整流橋電路原理圖及其輸入輸出波形如下圖所示(圖一為純電阻負載,圖二為有大電感負載)。

【知識點總結】電力電子技術——第一講_電力電子技術知識點_整流器_58

(5)當負載是電容與電阻並聯,且負載電容的容值非常大時,二極管整流全橋電路原理圖及其輸入輸出波形如下圖所示如下圖所示。

【知識點總結】電力電子技術——第一講_電力電子技術知識點_輸入輸出_59

(6)下圖所示的是帶電容負載的二極管整流全橋電路原理圖及其輸入輸出波形,與上面不同的是,此處暫不考慮輸入側寄生電感和寄生電阻的影響,討論的電容負載其容值並非無窮大,那麼電容電壓的紋波便會影響二極管的導通狀態。

【知識點總結】電力電子技術——第一講_電力電子技術知識點_整流器_60

(7)下圖所示的是帶電容負載的二極管整流全橋電路原理圖及其輸入輸出波形,與上面不同的是,輸出側增加了一個電感元件,它負責削弱電流尖峯,同時也能起到降低損耗的作用。

【知識點總結】電力電子技術——第一講_電力電子技術知識點_整流器_61

2、三相不可控整流器

(1)下圖所示的是負載為純阻性的最簡單的三相全橋整流電路原理圖及其輸入輸出波形。

【知識點總結】電力電子技術——第一講_電力電子技術知識點_原理圖_62

(2)下圖所示的是負載為感性且電感感值非常大的最簡單的三相全橋整流電路原理圖及其輸入輸出波形,由於電感感值非常大,因此可將其等效為電流源,由於電流源與電阻都不主動輸出電壓,因此二極管的導通規則和負載為純阻性的三相全橋整流電路是一樣的,根據二極管的導通規則,自然可以得出輸入三相電的電流波形。

【知識點總結】電力電子技術——第一講_電力電子技術知識點_輸入輸出_63

(3)當負載是電容與電阻並聯時,三相全橋整流電路原理圖及其輸入輸出波形如下圖所示如下圖所示。

【知識點總結】電力電子技術——第一講_電力電子技術知識點_整流器_64

3、單相可控整流器

(1)下圖所示的是負載為純電阻的單相半波可控整流器原理圖及輸入輸出波形。

【知識點總結】電力電子技術——第一講_電力電子技術知識點_#電力電子_65

(2)下圖所示的是負載為電阻串聯電感的單相半波可控整流器原理圖及輸入輸出波形。

【知識點總結】電力電子技術——第一講_電力電子技術知識點_輸入輸出_66

(3)下圖所示的是負載為純電阻的單相橋式全控整流器原理圖及輸入輸出波形。

【知識點總結】電力電子技術——第一講_電力電子技術知識點_#電力電子_67

(4)下圖所示的是負載為電阻串聯電感的單相橋式全控整流器原理圖及輸入輸出波形,假設電感感值非常大,那麼輸出電流可視為是恆定的。

【知識點總結】電力電子技術——第一講_電力電子技術知識點_整流器_68

(5)下圖所示的是負載為電阻並聯電容的單相橋式全控整流器原理圖及輸入輸出波形,假設電容容值非常大,那麼電容兩端電壓可視為是恆定的。

【知識點總結】電力電子技術——第一講_電力電子技術知識點_原理圖_69

(6)下圖所示的是負載為純電阻的單相全波可控整流器原理圖及輸入輸出波形。

【知識點總結】電力電子技術——第一講_電力電子技術知識點_原理圖_70

(7)下圖所示的是負載為電阻串聯電感的單相橋式半控整流器原理圖及輸入輸出波形。

【知識點總結】電力電子技術——第一講_電力電子技術知識點_原理圖_71

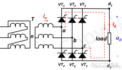
4、三相可控整流器

(1)下圖所示的是負載為純電阻的三相半波控制整流器原理圖,具體輸入輸出波形與晶閘管的控制有關,詳情可回顧基礎篇,此處不過多贅述。

【知識點總結】電力電子技術——第一講_電力電子技術知識點_#電力電子_72

(2)下圖所示的是負載為電阻串聯電感的三相半波控制整流器原理圖,當電感感值非常大時,可認為輸出電流恆定不變,具體輸入輸出波形與晶閘管的控制有關,詳情可回顧基礎篇,此處不過多贅述。

【知識點總結】電力電子技術——第一講_電力電子技術知識點_整流器_73

(3)下圖所示的是負載為純電阻的三相全橋控制整流器原理圖,具體輸入輸出波形與晶閘管的控制有關,詳情可回顧基礎篇,此處不過多贅述。

【知識點總結】電力電子技術——第一講_電力電子技術知識點_輸入輸出_74

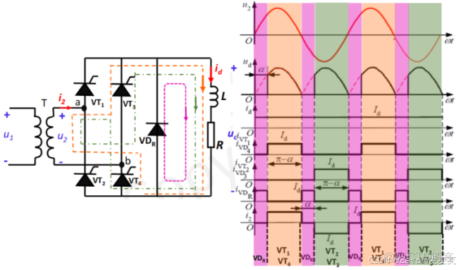
(4)下圖所示的是負載為電阻串聯電感的三相全橋控制整流器原理圖,當電感感值非常大時,可認為輸出電流恆定不變,具體輸入輸出波形與晶閘管的控制有關,詳情可回顧基礎篇,此處不過多贅述。

【知識點總結】電力電子技術——第一講_電力電子技術知識點_原理圖_75

七、方波逆變器

1、單相全橋電壓型逆變器

(1)下圖所示的是單相全橋電壓型逆變器的原理圖,直流輸入側為恆定電壓,交流輸出側為方波或準方波電壓,電流由負載決定,IGBT在功率正向流動(功率輸出)時導通,IGBT反向並聯的二極管在功率反向流動(功率回收)時導通。

【知識點總結】電力電子技術——第一講_電力電子技術知識點_#電力電子_76

(2)分析單相全橋電壓型逆變器時,可將並聯的IGBT與二極管視為一個整體的開關,它們按照對角線分為兩組,交流輸出為方波電壓時,兩組開關在一個開關週期內交替導通。

【知識點總結】電力電子技術——第一講_電力電子技術知識點_#電力電子_77

2、單相半橋電壓型逆變器

(1)下圖所示的是單相半橋電壓型逆變器的原理圖,直流輸入側為恆定電壓,均分在兩個串聯的電容上,交流輸出側為方波或準方波電壓,電流由負載決定,IGBT在功率正向流動(功率輸出)時導通,IGBT反向並聯的二極管在功率反向流動(功率回收)時導通。

【知識點總結】電力電子技術——第一講_電力電子技術知識點_整流器_78

(2)分析單相半橋電壓型逆變器時,可將並聯的IGBT與二極管視為一個整體的開關,交流輸出為方波電壓時,它們在一個開關週期內交替導通。

【知識點總結】電力電子技術——第一講_電力電子技術知識點_輸入輸出_79

3、推輓電壓型逆變器

        下圖所示的是推輓電壓型逆變器的原理圖,它相當於單相全橋電壓型逆變器的變式,使用變壓器替代了兩對開關組件,其中輸入側變壓器的抽頭處於中間位置,輸入輸出匝數比為2:1,在對其做分析時,同樣可以把並聯的IGBT與二極管視為一個整體的開關,交流輸出為方波電壓時,它們在一個開關週期內交替導通

【知識點總結】電力電子技術——第一講_電力電子技術知識點_原理圖_80

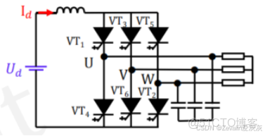
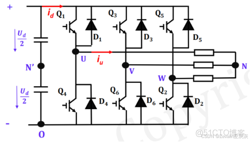
4、三相電壓型逆變器

(1)下圖所示的是三相電壓型逆變器。

【知識點總結】電力電子技術——第一講_電力電子技術知識點_輸入輸出_81

(2)N點電壓分析:

【知識點總結】電力電子技術——第一講_電力電子技術知識點_#電力電子_82

【知識點總結】電力電子技術——第一講_電力電子技術知識點_輸入輸出_83

5、單相全橋電流型逆變器

(1)下圖所示的是單相全橋電流型逆變器的原理圖,直流輸入側串聯一個高阻抗的電感,可認為輸入電流為恆定電流,交流輸出側電流為準方波電流。由於恆定電流不能斷路,因此必須保證任何時候上下都有晶閘管導通,這裏與電壓型逆變器不同的是,電壓型逆變器要求“換管”時同一垂線上的IGBT不能同時導通,而電流型逆變器要求“換管”時同一垂線上的晶閘管需要同時導通,以實現電流換向。

【知識點總結】電力電子技術——第一講_電力電子技術知識點_#電力電子_84

(2)體現輸出側的漏感,如下圖所示,晶閘管的開關頻率略高於諧振頻率。

【知識點總結】電力電子技術——第一講_電力電子技術知識點_整流器_85

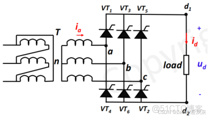
6、三相全橋電流型逆變器

(1)下圖所示的是晶閘管實現的三相全橋電流型逆變器原理圖,其分析方法與單相全橋電流型逆變器類似,此處不再過多贅述。

【知識點總結】電力電子技術——第一講_電力電子技術知識點_整流器_86

        需要注意的是,當線電流突變時,根據電容的伏安特性表達式,不難理解線電壓出現毛刺的原因

【知識點總結】電力電子技術——第一講_電力電子技術知識點_原理圖_87

(2)下圖所示的是二極管和晶閘管實現的三相全橋電流型逆變器原理圖,其輸入輸出波形與晶閘管實現的三相全橋電流型逆變器基本一樣。

【知識點總結】電力電子技術——第一講_電力電子技術知識點_#電力電子_88

八、PWM逆變器

1、脈寬調製的基本原理

(1)等面積原理:當輸入信號具有相同的面積和持續時間時,響應往往相同。

(2)應用等面積原理,可以使用一系列佔空比不同的脈衝來表示半正弦波,如下圖所示。

【知識點總結】電力電子技術——第一講_電力電子技術知識點_整流器_89

(3)單極PWM調製與雙極PWM調製:

①基於前面半正弦波的調製,還可以使用一系列佔空比不同的“負”脈衝來表示半正弦波,兩兩組合,就是單極的PWM調製。

【知識點總結】電力電子技術——第一講_電力電子技術知識點_整流器_90

②基於前面半正弦波的等效,還可以使用一系列佔空比不同的脈衝來表示正弦波,這就是雙極的PWM調製,一般雙極的PWM調製更常用。

【知識點總結】電力電子技術——第一講_電力電子技術知識點_整流器_91

(4)直流PWM調製與交流PWM調製:

①直流PWM調製:受調製的電流為直流量,設定一個子週期(載波週期)和PWM輸出信號週期(調製波週期),每個子週期內按不同佔空比“切割”直流量,即可實現直流PWM調製。

【知識點總結】電力電子技術——第一講_電力電子技術知識點_#電力電子_92

②交流PWM調製:受調製的電流為交流量,設定一個子週期(載波週期)和PWM輸出信號週期(調製波週期),每個子週期內按不同佔空比“切割”交流量,即可實現交流PWM調製。

【知識點總結】電力電子技術——第一講_電力電子技術知識點_整流器_93

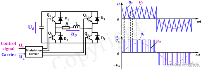
2、PWM波的調製

(1)使用單相全橋電壓型逆變器實現雙極PWM調製的電路圖如下,其中

【知識點總結】電力電子技術——第一講_電力電子技術知識點_#電力電子_94

為調製波,頻率與期望獲得的輸出電壓相同,

【知識點總結】電力電子技術——第一講_電力電子技術知識點_整流器_95

為輸入控制器的控制信號(也稱為載波)。

【知識點總結】電力電子技術——第一講_電力電子技術知識點_整流器_96

【知識點總結】電力電子技術——第一講_電力電子技術知識點_輸入輸出_97

(2)使用單相全橋電壓型逆變器實現單極PWM調製的電路圖如下,其中

【知識點總結】電力電子技術——第一講_電力電子技術知識點_#電力電子_94

為調製波,頻率與期望獲得的輸出電壓相同,

【知識點總結】電力電子技術——第一講_電力電子技術知識點_整流器_95

為輸入控制器的控制信號(也稱為載波)。

【知識點總結】電力電子技術——第一講_電力電子技術知識點_整流器_100

【知識點總結】電力電子技術——第一講_電力電子技術知識點_整流器_101

【知識點總結】電力電子技術——第一講_電力電子技術知識點_輸入輸出_102

【知識點總結】電力電子技術——第一講_電力電子技術知識點_輸入輸出_103

(3)使用三相電壓型逆變器實現PWM調製的電路圖如下,其中

【知識點總結】電力電子技術——第一講_電力電子技術知識點_原理圖_104


【知識點總結】電力電子技術——第一講_電力電子技術知識點_整流器_105


【知識點總結】電力電子技術——第一講_電力電子技術知識點_輸入輸出_106

分別為與期望獲得的三相輸出電壓頻率相同的調製波,

【知識點總結】電力電子技術——第一講_電力電子技術知識點_整流器_95

為輸入控制器的控制信號(也稱為載波),它的控制方式和單相逆變器是類似的,可以參考使用單相全橋電壓型逆變器實現單極PWM調製的改善控制方式,控制U、V、W三點的電壓,進而控制相電壓。

【知識點總結】電力電子技術——第一講_電力電子技術知識點_輸入輸出_108

【知識點總結】電力電子技術——第一講_電力電子技術知識點_整流器_109

3、開關頻率對諧波分量頻率的影響

(1)使用單相全橋電壓型逆變器實現雙極PWM調製,其輸出波形如下左圖所示,假設載波頻率為5kHz,基波(調製波)頻率為50Hz,那麼載波調製比為100,對輸出波形做傅里葉級數展開,可以得到其頻譜如下右圖所示,其中

【知識點總結】電力電子技術——第一講_電力電子技術知識點_輸入輸出_110

為期望輸出電壓波形的幅值(歸一化),每個不同的

【知識點總結】電力電子技術——第一講_電力電子技術知識點_輸入輸出_110

對應一個具體的例子。

【知識點總結】電力電子技術——第一講_電力電子技術知識點_輸入輸出_112

對此可以提高開關頻率,這樣最低頻率的諧波分量的頻率也會與基波頻率相差不少,低通濾波器的設計壓力將會降低

        除此之外,還能發現當期望輸出電壓波形的幅值越低時,低頻諧波的幅值將增大,當

【知識點總結】電力電子技術——第一講_電力電子技術知識點_輸入輸出_110

為0時,實際輸出電壓波形為等寬脈衝方波

(2)單極PWM調製與雙極PWM調製的諧波分析:

①雙極PWM調製的諧波分析:

        如果選擇載波調製比為奇數,且控制三角波與調製信號同步,那麼輸出的PWM波具有奇數四分之一波對稱性

【知識點總結】電力電子技術——第一講_電力電子技術知識點_原理圖_114

【知識點總結】電力電子技術——第一講_電力電子技術知識點_原理圖_115

【知識點總結】電力電子技術——第一講_電力電子技術知識點_整流器_116

②單極PWM調製的諧波分析:

        單極PWM調製相較於雙極PWM調製,其輸出電壓的諧波頻率將翻倍(相同參數下)

【知識點總結】電力電子技術——第一講_電力電子技術知識點_#電力電子_117

        如果選擇載波調製比為偶數,那麼第一組諧波將在2倍載波頻率附近出現,可用頻譜圖進行表示(基波幅值、頻率歸一化),不難發現,對單極PWM調製輸出的波形設計低通濾波器,設計難度將會更低

【知識點總結】電力電子技術——第一講_電力電子技術知識點_#電力電子_118

4、超調產生的諧波

(1)當調製波的幅值高於載波時,將會引發超調,這時將會產生幅值較高的低頻諧波,如下圖所示。

【知識點總結】電力電子技術——第一講_電力電子技術知識點_#電力電子_119

(2)根據超調程度不同,可根據載波調製比劃分三個不同的區間,如下圖所示,依次為線性區(無超調的PWM調製)、超調區(帶超調的PWM調製)和方波區(退化為方波逆變器)。

【知識點總結】電力電子技術——第一講_電力電子技術知識點_原理圖_120