一、模擬信號採樣與AD轉換原理

Nyquist採樣定理

    儘管大家都知道,但還是提一提大牛奧本海姆的《信號與系統》,來捋一捋幾個點:

    帶寬有限(band-limited) 採樣頻率大於2倍信號最高頻率後可以無失真的恢復出原始信號。

    實際中,信號往往是無線帶寬的,如何保證帶寬有限?所以,我們在模擬信號輸入端要加一個低通濾波器,使信號變成帶寬有限,再使用2.5~3倍的最高信號頻率進行採樣。關於此我們下面將模擬數字轉換過程將會看到。

    雖説是不能小於等於2倍,但選2倍是不是很好呢,理論上,選擇的採樣頻率越高,越能無失真的恢復原信號,但採樣頻率越高,對後端數字系統的處理速度和存儲要求也就越高,因此要選擇一個折中的值。

    如果後端數字信號處理中的窗口選擇過窄,採樣率太高,在一個窗口內很難容納甚至信號的一個週期,這從某方面使得信號無法辨識。

    比如,數字信號處 理的窗口大小為1024個點,採樣率為50KHz,則窗口最多容納1024*(1/50KHz)=20.48ms的信號長度,若信號的一個週期為 30ms>20.48ms,這就使得數字信號的處理窗口沒法容納一個週期信號,解決的辦法就是在滿足要求的前提下使用減小採樣率或增加窗口長度。

AD轉換

    記得有一次參加中科院計算所的實習筆試,裏面就有這麼一道題:模擬信號轉換到數字信號要經歷哪兩個步驟?還好,早有準備,立刻填上了採樣和量化,相x關文章推薦:模擬量採集從硬件到程序,從濾波到實際值轉換,多少人懂了。我們下面就來詳細分析下這兩個過程,但在分析之前,我們先給出一張整個過程的流圖,您可以先想想為什麼需要各模塊。

51c嵌入式~模擬電路~合集1_模擬電路

程控放大器

    我們實際中的模擬信號都是通過傳感器採集進來的,做過單片機的人應該熟知DS18B20温度傳感器,不好意思,那是數字傳感器,也就是説人家做傳感器的時候把AD轉換也放到傳感器裏面了。

    但這並不是普遍的情況,因為温度量是模擬信號中最容易測量的量了,而大多數的傳感器並沒有集成AD轉換過 程,如大多數的加速度傳感器、震動傳感器、聲音傳感器、電子羅盤,甚至有的GPS(別懵了,GPS也算是一種傳感器哦)等,都是模擬輸出的。

    而且由於物理 製作的原因,傳感器返回的電信號非常微小,一般在幾mV(如果是電流,也一般在幾mA),這麼微弱的信號,如果經過導線或電纜傳輸很容易就湮滅在噪聲中。因此,我們常常見到模擬傳感器的輸出線都會使用套上一層塑膠的線,叫屏蔽線,如下圖。

51c嵌入式~模擬電路~合集1_模擬電路_02

    屏蔽線只能保證在信號傳輸到系統之前受到的干擾最小,但信號仍要經過處理才能為數字系統使用。在模擬信號(尤其是高頻信號)的輸入端首先要使用 低噪聲放大器對信號進行放大,這個放大器有特殊的要求,一定是低噪聲,我們已經知道,模擬信號信號已經非常微弱。

    如果放大器還存在一定的噪聲,在噪聲疊加 之後放大出來的信號可能已經不再是原信號了。既然説到低噪聲,那麼低噪聲是如何衡量的呢?這可以通過放大器噪聲係數(NF)來定。

51c嵌入式~模擬電路~合集1_模擬電路_03

    噪聲係數定義為放大器輸入信號與輸出信號的信噪比。其物理含義是:信號通過放大器之後,由於放大器產生噪聲,使信噪比變壞;信噪比下降的倍數就是噪聲係數。噪聲係數通常用dB表示。

51c嵌入式~模擬電路~合集1_模擬電路_04

    實際中除了考慮低噪聲係數外,還要考慮放大器的帶寬和頻率範圍以及最重要的放大增益。由於輸入信號的強度可能時變,採用程序可控(程控)的放大增益保證信號能達到滿度而又不會出現飽和,實際中要做到這一點還是很難的。

低通濾波器

    在Nyquist採樣定理中已經提過,要滿足採樣定理必須要求信號帶寬有限,使用大於2倍的最高信號頻率採樣才能保證信號的不混疊。低通濾波器的一個考慮就是使信號帶寬有限,以便於後期的信號採樣,這個低通濾波器是硬件實現的。

    另一方面,實際情況中我們也只會對某個頻頻段的信號感興趣,低通濾波器的另一個考慮就是濾波得到感興趣的信號。比如,測量汽車聲音信號,其頻率大部分在5KHz以下,我們則可以設置低通濾波器的截止頻率在7KHz左右。

    程控的實現方法就是使用模擬通道選擇芯片,如74VHC4051等。

    NOTES:

    在採樣之前的所有電路實現方案叫信號調理電路。這樣,我們就可以根據這個詞到處搜索文獻了。

採樣及採樣保持

    採樣貌似有一套完整的理論,就是《數字信號處理》書中的一堆公式推導,我們這裏當然不會那麼去説。其實採樣最核心的問題就是採樣率選擇的問題。

    根據實際,選擇頻率分辨率df 選擇做DFT的點數N,因為DFT時域點數和變換後頻域點數相同,則採樣率可確定,Fs=N*df Fs是否滿足Nyquist的採樣定理?是,OK,否則增加點數N,重新計算2。

    我們希望df越小越好,但實際上,df越小,N越大,計算量和存儲量隨之增大。一般取N為為2的整數次冪,不足則在尾端補0。

    這裏給出我的一個選擇Fs的方案流程圖,僅供參考。


51c嵌入式~模擬電路~合集1_模擬電路_05

    採樣後還有一個重要的操作是採樣保持(S/H)操作,採樣脈衝採樣後無法立刻量化,這個過程要等待很短的一個時間,硬件上一般0.幾個us,等待量化器的量化。

    注意,在量化之前,所有的信號都是模擬信號,模擬信號就有很多幹擾的問題需要考慮,這裏只是從總體上給出我對整個過程的理解。更多細化的方案還需要根據實際信號進行研究。

量化

    我們可以先直觀的看一下量化的過程:

51c嵌入式~模擬電路~合集1_模擬電路_06

    量化有個關鍵的參數,叫量化位數,在所有的AD轉換芯片(如AD7606)上都能看到這個關鍵的參數,常見的有8bit,10bit,12bits,16bit和24bit。

51c嵌入式~模擬電路~合集1_模擬電路_07

    如上圖,以AD7606為例,AD7606是16bit的AD芯片,量化位數指用16bit來表示連續信號的幅值。因此,考慮AD的測量範圍(AD7606有兩種:±5V和±10V),則AD分辨率是:

±5V: (5V-(-5V)) / (2^16) = 152 uV

±10V: (10V-(-10V)) / (2^16) = 305 uV

    量化位數越高,AD分辨率越高,習慣上,AD分辨率用常用LSB標示。

    因此,AD7606中對於某個輸入模擬電壓值,因為存在正負電壓,若以0V為中間電壓值,範圍為±5V時AD轉換電壓可計算為:

51c嵌入式~模擬電路~合集1_模擬電路_08

    AD7606若使用內部參考電壓,Vref=2.5V。哦對了,這又出現個參考電壓。參考電壓與AD量化的實現方式有關,從速度上分串行和並行,串行包括逐次逼近型,並行方式包括並行比較式,如下圖(左:串行,右:並行)。AD7606是使用逐次逼近型的方式。

51c嵌入式~模擬電路~合集1_模擬電路_09


51c嵌入式~模擬電路~合集1_模擬電路_10

    AD轉換芯片另外兩個重要參數是轉換時間(轉換速率)。並行AD的轉換速率比串行的要高。但並行比較的方式中電阻的精度對量化有影響。

    接着,我們還將介紹一個重要的概念:量化噪聲。量化噪聲對應量化信噪比,其公式如下是SNRq= (6.02N + 4.77) dB。

    其中N為量化位數對於N=12, SNRq≈ 70dB,而N=16, SNRq≈ 94dB。

    從中可以看出:每增加1bit量化位數,SNRq將提高6.02dB,在設計過程中,如果對方有信噪比的要求,則在ADC選型時就要選擇合適位數的ADC芯片。

    明顯的,並不是量化位數越高越好,量化位數的提高將對成本、轉換速度、存儲空間與數據吞吐量等眾多方面提出更高的要求。同時,我們儘量提高量化噪聲的前提是信號的SNR已經比較低了,如果信號的SNR比量化噪聲還高,努力提高量化噪聲將是捨本求末的做法。


......


















二、模擬量採集從硬件到程序,從濾波到實際值轉換

❤在單片機系統裏對模擬量的處理要比數字量稍顯複雜,但是隻要掌握了使用技巧,使用起來也很簡單,很多朋友一開始比較糾結於單片機的底層語言,非要先弄個明白才罷休,其實大可不必,重要的是我們要先學會怎麼應用。

❤現以鉛酸電池電壓檢測充電電流檢測為例講解模擬量的硬件和程序的設計。

如圖1為28節鉛酸電池的電壓檢測電路,1--14節組成電池組1,15--28節組成電池組2;第1節正極為BAT+,14與15節之間為BATM,第28節負極為BAT-。輸入端的8個二極管的作用是鉗位作用,相x關電路文章:如何用二極管實現不同電壓的輸出?電路計算如圖所示。

51c嵌入式~模擬電路~合集1_模擬電路_11

圖1:電池組電壓檢測電路

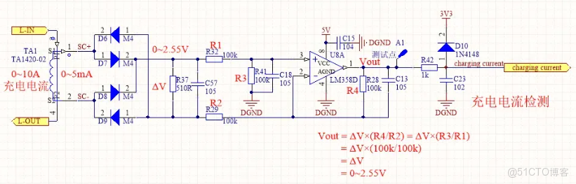
如圖2為鉛酸電池的充電電流檢測電路,TA1為工頻電流互感器,輸入的4個二極管為整流二極管,電流流過R37(510Ω)形成壓差△V,相x關文章:解析多種整流、濾波電路。電路計算如圖所示。

51c嵌入式~模擬電路~合集1_模擬電路_12

圖2:電池組充電電流檢測電路

如圖3為單片機STM32F103CBT6,圖1和圖2的模擬信號輸入至單片機的PA5、PA6、PA7。

51c嵌入式~模擬電路~合集1_模擬電路_13

圖3:STM32F103CBT6單片機

由於代碼較多,為便於瀏覽,我就把其中一部分以截圖的形式展示。

如圖4為單片機adc.c文件的底層配置,把PA5、PA6、PA7端口配置成模擬輸入模式

51c嵌入式~模擬電路~合集1_模擬電路_14

圖4:配置端口模式

如圖5對以上三個模擬量進行模數轉換並緩存入數組ADC_ConvertedValue[3],得到的AD值的範圍是0~4096

51c嵌入式~模擬電路~合集1_模擬電路_15

圖5:模數轉換並緩存

如圖6把以上兩個配置函數整合在一起,定義成模擬量的初始化函數void ADC1_Init(void)。

51c嵌入式~模擬電路~合集1_模擬電路_16

圖6:初始化

如圖7在adc.h文件裏聲明函數void ADC1_Init(void),另外幾個函數也在adc的c文件裏定義的,後面附上源程序(非截圖)。

51c嵌入式~模擬電路~合集1_模擬電路_17

圖7:聲明函數

如圖8在main()主函數裏調用ADC1_Init()初始化函數(要去掉void),初始化函數一定要放在while(1)的前面,表示在進入while(1)無限循環前只執行一次。Analog_Processing()為模擬量處理函數,要放在while(1)無限循環裏面(該函數在下面講)。

51c嵌入式~模擬電路~合集1_模擬電路_18

相x關圖8,函數調用

以下為模擬量在main.c文件裏的定義。

s16 Charging_Current;     //充電電流實際值
s16 Battery1_Voltage;     //電池組1電壓實際值
s16 Battery2_Voltage;     //電池組2電壓實際值
s16 Battery_Voltage;      //電池組總電壓值

❤下面三個函數的定義都在adc.c文件裏面定義的。

以下代碼為模擬量處理函數:①對數組ADC_ConvertedValue[3]緩存值進行濾波處理;②對濾波後的AD值轉換為實際值。

/******************************
模擬量處理函數
******************************/
void Analog_Processing(void)
{
//對AD值進行濾波
ADC_Charging_Current=Filter(ADC_ConvertedValue[0],ADC_Charging_Current,1,10);
ADC_Battery1_Voltage=Filter(ADC_ConvertedValue[1],ADC_Battery1_Voltage,1,10);
ADC_Battery2_Voltage=Filter(ADC_ConvertedValue[2],ADC_Battery2_Voltage,1,10);
//AD值轉換為實際值
Charging_Current = Adc_To_Act(ADC_Charging_Current, 10, 4096, 0, 220);//22.0A
Battery1_Voltage = Adc_To_Act(ADC_Battery1_Voltage, 10, 4096, 0, 267);//267V
Battery2_Voltage = Adc_To_Act(ADC_Battery2_Voltage, 10, 4096, 0, 267);//267V
//兩組電壓相加得到總電壓
Battery_Voltage = Battery1_Voltage + Battery2_Voltage;
}

以下代碼為濾波函數,濾波函數有很多,採用合適的才是最實用的(該函數濾波後的值是連續變化的,有些濾波函數濾波後的值是跳變的)。

/******************************
濾波函數(base/k越大,容性越大)
該函數相當於是一個電容,通常取值k=1,base=10
******************************/
u16 Filter(u16 NewData, u16 OldData, u8 k, u8 base)
{
u16 uiResult;
if (NewData > OldData)
{
uiResult = NewData - OldData;
uiResult *= k;
uiResult += base >> 2;
uiResult /= base;
uiResult = OldData + uiResult; 
}
else if (OldData > NewData)
{
uiResult = OldData - NewData;
uiResult *= k;
uiResult += base >> 2;
uiResult /= base;
uiResult = OldData - uiResult; 
}
else
{
uiResult = NewData;
}


return(uiResult);
}

使用方法如下:NewData表示最新採用的模擬量;OldData表示濾波後的模擬量。

ADC_Battery1_Voltage=Filter(ADC_ConvertedValue[1],ADC_Battery1_Voltage,1,10);

為便於邏輯計算、控制及顯示,以下代碼是把AD值轉換為實際值,

/******************************
AD值轉換實際值函數
******************************/
s16 Adc_To_Act(s16 Adc_Value, s16 Pre_Adc_Min, s16 Pre_Adc_Max, s16 Pre_Act_Min, s16 Pre_Act_Max)
{
s32 _temp;
s32 _range;
_temp = (s32)((Adc_Value - Pre_Adc_Min) * (Pre_Act_Max - Pre_Act_Min) / (Pre_Adc_Max-Pre_Adc_Min)) + Pre_Act_Min;
_temp = Adc_Value - Pre_Adc_Min;
_range = Pre_Act_Max - Pre_Act_Min;
_temp = _temp * _range;
_range = Pre_Adc_Max - Pre_Adc_Min;
_temp = _temp + _range / 2;
_temp = _temp / _range;
_temp = _temp + Pre_Act_Min;
return(_temp);
}

使用方法如下:Adc_Value表示要轉換的模擬量;Pre_Adc_Min表示模擬量AD值的最小值;Pre_Adc_Max表示模擬量AD值的最大值;Pre_Act_Min表示轉換後實際值的最小值;Pre_Act_Max表示轉換後實際值的最大值;(以下最大實際值220表示22.0A,是因為數碼管顯示需要小數表示)。

Charging_Current = Adc_To_Act(ADC_Charging_Current, 10, 4096, 0, 220);//22.0A

❤要點:

①模擬量的採樣電路,我多采用運放的差分放大電路,原因是被測電壓可以和運放不用共地,且可有效抑制共模噪聲,可達到較高的精確線性測量,比如以上電池組的被測電壓的誤差與實際相差在0.3V左右;

②電池組輸入至運放的8個1M的電阻是兩個為一組的,且功率至少1/4W以上,因為在高壓下的電阻容易老化,為保險起見,通常一個電阻的最大壓差在100V以下為宜;

③電池組分為兩組檢測,一是為了降低元件所承受的電壓,二是為了監視兩組電池電壓之間是否平衡,達到保護電池目的。

③函數應功能模塊化,且具備通用性質,便於移植和調用,對於很多朋友應先學會如何使用,底層代碼只要會配置就完全足夠了。

當然,以上提供的設計是我通常的做法,能滿足大多數的常規應用。


....



















三、四種ADC拓樸結構

1 A/D轉換器

A/D轉換器是從自然界的現象(各種各樣的應用)產生的模擬信號變換為數字信號(A/D變換)的東西。

這個工作是指由模擬信號經過採樣→量化→編碼變換為數字信號的一系列步驟。

51c嵌入式~模擬電路~合集1_模擬電路_19

2 A/D轉換器的基本操作

A/D轉換器的基本操作請參見下方A/D轉換器實例。

51c嵌入式~模擬電路~合集1_模擬電路_20

A/D轉換器在離散週期內切出模擬信號的幅度,變換為用符號表示的數字信號。

A/D轉換了的數字信號位數叫做分辨率(這個情況下是3bit),最高位叫做MSB(Most
Significant Bit),最低位叫做LSB(Least Significant Bit)。

下方的圖片展示了模擬信號(輸入)和數字信號(輸出)的關係。作為數字信號差,可識別的模擬信號最小振幅是最小分辨率(=1LSB),在模擬信號和數字信號之間產生的誤差叫做量化誤差。

另外,第一個數字信號變化點(000→001)的0.5LSB下叫做零刻度,最後一個數字信號變化點(110→111)的0.5LSB上叫做滿量程,從零刻度到滿量程的這個區間叫滿量程範圍。

51c嵌入式~模擬電路~合集1_模擬電路_21

以下是模擬信號通過"採樣→量化→編碼"變換為數字信號的一系列步驟。

2.1 採樣(Sampling)

在離散週期(採樣週期:TS)內切出連續的模擬信號振幅值
採樣週期:Ts=1/(採樣頻率:Fs)
進行採樣的電路叫做採樣和保持電路(簡稱S&H電路)

2.2 量化(Quantization)

在離散週期內切出的振幅值近似於離散振幅值。

量化誤差:(採樣值)-(量化值)

2.3 編碼(Coding)

離散振幅用"0"和"1"這兩個值來表示轉換的代碼。

轉換了代碼的電路叫做編碼器(Encoder)。

51c嵌入式~模擬電路~合集1_模擬電路_22

3 A/D轉換器的基本形式1(閃存)

3.1 工作

預先用比較器同時比較分壓成2N-1個的參考電壓和模擬信號,比較結果用編碼器轉換成數字信號。

3.2 特點

  • 為了把模擬信號一次轉為數字信號,模擬信號不需要採樣電路(S&H迴路)。
  • 在A/D轉換器的基本形式中可最高速度轉換。(採樣頻率甚至可超過1GHz。)
  • N位分辨率需要2N-1個比較器,由於電路規模和功耗增加,分辨率最高為8位左右。

51c嵌入式~模擬電路~合集1_模擬電路_23

4 A/D轉換器的基本形式2(流水線)

4.1 工作

在一般1.5bit/級結構的情況下,從決定了MSB的第1級開始依次流水線操作,從而反覆進行以下的處理。(VREF:參考電壓)

  • 採樣(S&H)模擬輸入。
  • 同時用A/D轉換器(ADC)把模擬輸入轉換成3值(1.5bit)的數字值。(此處確定級別的數字輸出)
  • 模擬輸入≦-VREF/4→ D="00"
  • -VREF/4<模擬輸入≦+VREF/4→ D="01"
  • +VREF/4<模擬輸入→D="10"
  • 用D/A轉換器(DAC)把3值(1.5bit)的數字值轉換為模擬值。
  • D="00" → DAC輸出:-VREF/2
  • D="01" → DAC輸出:0
  • D="10" → DAC輸出:+VREF/2
  • 從採樣電壓擴大到減去了DAC輸出電壓的2倍後,輸出到下一級。

決定了LSB的N級處理完成之後,補償了各級別間的延遲,通過加上各個數字輸出,數字信號的轉變完成。

51c嵌入式~模擬電路~合集1_模擬電路_24

4.2 特點

  • 可實現高分辨率。(最多16位左右)
  • 可高速轉換。(採樣頻率高達約200MHz的)
  • 通過流水線操作,由於需要等待數字信號輸出的時間,不適用於需要控制等實時的應用。

A/D轉換器的基本形式3(逐次比較<SAR>型)

4.3 工作

為了使採樣的模擬信號和D/A轉換器(DAC)的輸出一致,從MSB開始逐次比較(Successive Approximation)。

  • 模擬輸入信號採樣(S&H)
  • 逐次逼近寄存器(SAR)的MSB設置為"1"。(其他為"0")
  • 逐次逼近寄存器(SAR)的數字值用D/A轉換器(DAC)轉換成模擬值。
  • 比較採樣電壓和DAC輸出電壓的大小。
  • 確定採樣電壓>DAC輸出電壓 → MSB="1"
  • 確定採樣電壓<DAC輸出電壓 → MSB="0"

下方是通過到LSB為止重複相同的逐次逼近來完成數字信號的轉換。

51c嵌入式~模擬電路~合集1_模擬電路_25

51c嵌入式~模擬電路~合集1_模擬電路_26

4.4 特點

  • 可實現高分辨率。(最多18位左右)
  • 為了轉換以及需要(分辨率+α)的時鐘週期,轉換速度為中度。(最多約10MHz的採樣頻率)
  • 反應良好,輸入時連接複用器,輕鬆切換模擬信號。

5 A/D轉換器的基本形式4(ΔΣ型)

5.1 工作

模擬信號過採樣,在轉換為響應了使用ΔΣ調製的模擬信號振幅的脈衝串後,通過用數字濾波器除去頻帶外的噪音和數據細化,來完成在原始採樣頻率中的數字信號轉換。

5.2 過採樣

通過用比原始採樣頻率更高的頻率來採樣,來減少量化誤差。

51c嵌入式~模擬電路~合集1_模擬電路_27

5.3 ΔΣ調製

通過過採樣,用積分器積分(Σ)採樣電壓和D/A轉換器(DAC)的差(Δ)。用比較器來比較積分值和參考電壓的大小,轉換成脈衝串。

通過在1個採樣延遲輸入中反饋輸出脈衝,用比較器把產生的量化誤差在低頻區域調小,在高頻區域調大。

51c嵌入式~模擬電路~合集1_模擬電路_28

除了原始信號成分,在高頻區域中,從ΔΣ調製器輸出的脈衝串具有大的量化誤差成分。

但是,這些成分分開了頻率,為了用簡單的數字濾波器僅除去量化誤差成分,實現了其他方法不可能的高分辨率。

5.4 特點

  • A/D轉換器的基本形式中最高的分辨率。(最多約24位)
  • 轉換速度慢。(採樣頻率最多約200kHz)
  • 由於反應較差,輸入時連接複用器,不適合需要切換模擬信號的應用

...
















四、20個需要掌握的模擬電路

橋式整流電路

51c嵌入式~模擬電路~合集1_模擬電路_29

51c嵌入式~模擬電路~合集1_模擬電路_30

51c嵌入式~模擬電路~合集1_模擬電路_31

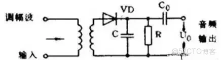
    二極管的單向導電性:二極管的PN結加正向電壓,處於導通狀態;加反向電壓,處於截止狀態。其伏安特性曲線,如下圖。

51c嵌入式~模擬電路~合集1_模擬電路_32

    理想開關模型和恆壓降模型:理想模型指的是在二極管正向偏置時,其管壓降為0,而當其反向偏置時,認為它的電阻為無窮大,電流為零,就是截止。恆壓降模型是説當二極管導通以後,其管壓降為恆定值,硅管為0.7V,鍺管0.5V。

    橋式整流電流流向過程:當u2是正半週期時,二極管Vd1和Vd2導通;而二極管Vd3和Vd4截止,負載RL的電流是自上而下流過負載,負載上得到了與u2正半週期相同的電壓。在u2的負半周,u2的實際極性是下正上負,二極管Vd3和Vd4導通而Vd1和Vd2截止,負載RL上的電流仍是自上而下流過負載,負載上得到了與u2正半週期相同的電壓。

電源濾波器

51c嵌入式~模擬電路~合集1_模擬電路_33

    電源濾波的過程分析:電源濾波是在負載RL兩端並聯一隻較大容量的電容器。由於電容兩端電壓不能突變,因而負載兩端的電壓也不會突變,使輸出電壓得以平滑,達到濾波的目的。相x關文章:如何改善電源噪聲?

  • 波形形成過程

    輸出端接負載RL,當電源供電時,向負載提供電流的同時也向電容C充電,充電時間常數:τ=(Ri∥RL·C)≈Ri·C

    一般Ri遠小於RL,忽略Ri壓降的影響,電容上電壓將隨u2迅速上升。

  • 當ωt=ωt1時,有u2=u0,此後u2低於u0,所有二極管截止,這時電容C通過RL放電,放電時間常數為RLC,放電時間慢,u0變化平緩。
  • 當ωt=ωt2時,u2=u0, ωt2後u2又變化到比u0大,又開始充電過程,u0迅速上升。
  • 當ωt=ωt3時,有u2=u0,ωt3後,電容通過RL放電。

    如此反覆,週期性充放電。由於電容C的儲能作用,RL上的電壓波動大大減小了。電容濾波適合於電流變化不大的場合。LC濾波電路適用於電流較大,要求電壓脈動較小的場合。

  • 濾波電容的容量和耐壓值選擇

    電容濾波整流電路輸出電壓Uo在√2·U2~0.9·U2之間,輸出電壓的平均值取決於放電時間常數的大小。

    電容容量RLC≧(3~5)·T/2,其中T為交流電源電壓的週期。實際中,經常進一步近似為Uo≈1.2·U2整流管的最大反向峯值電壓URM=√2·U2,每個二極管的平均電流是負載電流的一半。

信號濾波器

51c嵌入式~模擬電路~合集1_模擬電路_34

    信號濾波器的作用:把輸入信號中不需要的信號成分衰減到足夠小的程度,但同時必須讓有用信號順利通過。

  • 與電源濾波器的區別和相同點

    區別:信號濾波器用來過濾信號,其通帶是一定的頻率範圍,而電源濾波器則是用來濾除交流成分,使直流通過,從而保持輸出電壓穩定;交流電源則是隻允許某一特定的頻率通過。

    相同點:都是用電路的幅頻特性來工作。

  • LC串聯和並聯電路的阻抗計算

    串聯時,電路阻抗為:

Z=R+j(XL-XC)=R+j(ωL-1/ωC)

    並聯時,電路阻抗為:

51c嵌入式~模擬電路~合集1_模擬電路_35


    考慮到實際中,常有R<<ωL,所以有:

51c嵌入式~模擬電路~合集1_模擬電路_36

51c嵌入式~模擬電路~合集1_模擬電路_37


    幅頻關係和相頻關係曲線,如下:

51c嵌入式~模擬電路~合集1_模擬電路_38

    通頻帶曲線,如下圖所示。

51c嵌入式~模擬電路~合集1_模擬電路_39

微分&積分電路

微分和積分電路,如下圖。

51c嵌入式~模擬電路~合集1_模擬電路_40

    微分電路可把矩形波轉換為尖脈衝波,主要用於脈衝電路、模擬計算機和測量儀器中,以獲取藴含在脈衝前沿和後沿中的信息,例如提取時基標準信號等。

    積分電路使輸入方波轉換成三角波或者斜波,主要用於波形變換、放大電路失調電壓的消除及反饋控制中的積分補償等場合。其主要用途有:

  • 在電子開關中用於延遲;
  • 波形變換;
  • A/D轉換中,將電壓量變為時間量;
  • 移相。

共射極放大電路

    共射極放大電路如下圖。

51c嵌入式~模擬電路~合集1_模擬電路_41

    共射極放大電路的結構簡單,具有較大的電壓放大倍數和電流放大倍數,輸入和輸出電阻適中,但工作點不穩定,一般用在温度變化小,技術要求不高的情況下。

    特點:

  • 輸入信號和輸出信號反相。
  • 有較大的電流和電壓增益。
  • 一般用作放大電路的中間級。
  • 共射極放大器的集電極跟零電位點之間是輸出端,接負載電阻。

分壓偏置式共射極放大電路

    分壓偏置式共射極放大電路,如下圖。

51c嵌入式~模擬電路~合集1_模擬電路_42

    分壓偏置式共射極放大電路即基極分壓式射極偏置電路,是BJT的放大電路的三種組態之一。三種組態分別為:共射,共集,和共基。

    其中共集組態具有電流放大作用。輸入電阻最高,輸出電阻最小。共基組態具有電壓放大作用,輸入電阻最小,輸出電阻較大。而共射組態既具有電壓放大也具有電流放大作用。輸入電阻居中,輸出電阻較大。

    因此,共集組態多用於多級放大電路的輸入級或輸出級或緩衝級。共基組態常用於高頻或寬頻帶低輸入阻抗的場合。而共射組態常用於放大電路的中間級。

共集電極放大電路

    共集電極放大電路(射級跟隨器),如下圖所示。

51c嵌入式~模擬電路~合集1_模擬電路_43

    共集電極放大電路是從發射極輸出信號的,信號波形和相位基本與輸入相同,因而又稱射極輸出器或射極跟隨器,簡稱射隨器,常用作緩衝器使用。

    共集電極放大電路常作為電流放大器使用,它的特點是高輸入阻抗,電流增益大,但是電壓輸出的帽度幾乎沒有放大,也就是輸出電壓接近輸入電壓,而由於輸入阻抗高而輸出阻抗低的特性,也常作為阻抗變換器使用。

電路反饋框圖

    電路反饋框圖,如下。

51c嵌入式~模擬電路~合集1_模擬電路_44

    反饋,就是把放大電路的輸出量的一部分或全部,通過反饋網絡以一定的方式又引回到放大電路的輸入迴路中去,以影響電路的輸入信號作用的過程。

    放大電路靜態工作點會隨温度的變化而上下波動,其放大倍數不穩定,為了穩定放大電路的靜態工作點,可採用分壓式工作點穩定電路,在電路中引入一個直流電流負反饋。

    為了提高輸入電阻,降低輸出電阻,可採用射極輸出器,在射極輸出器電路中引入電壓串聯負反饋。

二極管穩壓電路

    二極管穩壓電路,如下圖。

51c嵌入式~模擬電路~合集1_模擬電路_45

    穩壓二極管,是指利用pn結反向擊穿狀態,其電流可在很大範圍內變化而電壓基本不變的現象,製成的起穩壓作用的二極管。

    穩壓二極管的伏安特性曲線的正向特性和普通二極管差不多,反向特性是在反向電壓低於反向擊穿電壓時,反向電阻很大,反向漏電流極小。但是,當反向電壓臨近反向電壓的臨界值時,反向電流驟然增大,稱為擊穿,在這一臨界擊穿點上,反向電阻驟然降至很小值。儘管電流在很大的範圍內變化,而二極管兩端的電壓卻基本上穩定在擊穿電壓附近,從而實現了二極管的穩壓功能。

串聯穩壓電路

    串聯穩壓電路,如下圖。

51c嵌入式~模擬電路~合集1_模擬電路_46


    串聯型穩壓電路,除了變壓、整流、濾波外,穩壓部分一般有四個環節:調整環節、基準電壓、比較放大器和取樣電路。

    當電網電壓或負載變動引起輸出電壓V0變化時,取樣電路將輸出電壓V0的一部分饋送回比較放大器和基準電壓進行比較。

    其產生的誤差電壓經放大後去控制調整管的基極電流,自動地改變調整管集—射極間的電壓,補償V0的變化,從而維持輸出電壓基本不變。

差分放大電路

    差分放大電路,如下圖。

51c嵌入式~模擬電路~合集1_模擬電路_47

    差分放大電路具有電路對稱性的特點,此特點可以起到穩定工作點的作用,被廣泛用於直接耦合電路和測量電路的輸入級。

    差分放大電路有差模和共模兩種基本輸入信號,由於其電路的對稱性,當兩輸入端所接信號大小相等、極性相反時,稱為差模輸入信號;當兩輸入端所接信號大小相等、極性相同時,稱為共模信號。通常我們將要放大的信號作為差模信號進行輸入,而將由温度等環境因素對電路產生的影響作為共模信號進行輸入,因此我們最終的目的,是要放大差模信號,抑制共模信號。

    差分放大電路是直接耦合放大電路的基本組成單元,該電路對於不同的輸入信號有不同的作用,對於共模信號起到很強的抑制作用,而對差模信號起到放大作用,並且電路的放大能力與輸出方式有關。

場效應管放大電路

    場效應管放大電路,如下圖。

51c嵌入式~模擬電路~合集1_模擬電路_48

    場效應管與晶體管一樣,也具有放大作用,但與普通晶體管是電流控制型器件相反,場效應管是電壓控制型器件。它具有輸入阻抗高、噪聲低的特點。

    場效應管的3個電極,即柵極、源極和漏極分別相當於晶體管的基極、發射極和集電極。

    MOS管能工作在放大區,而且很常見。做鏡像電流源、運放、反饋控制等,都是利用MOS管工作在放大區。由於MOS管的特性,當溝道處於似通非通時,柵極電壓直接影響溝道的導電能力,呈現一定的線性關係。由於柵極與源漏隔離,因此其輸入阻抗可視為無窮大,當然,隨頻率增加阻抗就越來越小,一定頻率時,就變得不可忽視。這個高阻抗特點被廣泛用於運放,運放分析的虛連、虛斷兩個重要原則就是基於這個特點。這是三極管不可比擬的。

選頻(帶通)放大電路

    選頻(帶通)放大電路,如下圖。

51c嵌入式~模擬電路~合集1_模擬電路_49

    選頻放大電路通常位於接收系統的前端,放大的信號幅度小、頻率高,亦稱高頻小信號諧振放大器或帶通放大器。

運算放大電路

    運算放大電路如下圖。

51c嵌入式~模擬電路~合集1_模擬電路_50

    電路中的運算放大器,有同相輸入端和反相輸入端,輸入端的極性和輸出端是同一極性的就是同相放大器,而輸入端的極性和輸出端相反極性的則稱為反相放大器。

    同相輸入的輸入阻抗高,反相輸入的輸入阻抗低。同相輸入的輸入阻抗基本上由同相端並聯的偏置電阻決定,這個電阻可以用得很大 ;反相輸入時,由於有反饋電阻並聯於反相端與輸出端之間,這個反饋電阻不可能用得很大,所以反相輸入的輸入阻抗比較低。

差分輸入運算放大電路

    差分輸入運算放大電路,如下圖。

51c嵌入式~模擬電路~合集1_模擬電路_51

    輸出電壓與運放兩端的輸入電壓差成比例,能實現減法運算。常用作減法運算以及測量放大器。

電壓比較器

51c嵌入式~模擬電路~合集1_模擬電路_52

    電壓比較器是對輸入信號進行鑑別與比較的電路,是組成非正弦波發生電路的基本單元電路。常用的電壓比較器有單限比較器、滯回比較器、窗口比較器、三態電壓比較器等。

    電壓比較器它可用作模擬電路和數字電路的接口,還可以用作波形產生和變換電路等。利用簡單電壓比較器可將正弦波變為同頻率的方波或矩形波。

RC振盪電路

51c嵌入式~模擬電路~合集1_模擬電路_53

    採用RC選頻網絡構成的振盪電路稱為RC振盪電路,它適用於低頻振盪,一般用於產生1Hz~1MHz的低頻信號。電路由放大電路、選頻網絡、正反饋網絡,穩幅環節四部分構成。主要優點是結構簡單,經濟方便。根據RC選頻網絡的不同形式,可以將RC振盪電路分為RC超前(或滯後)相移振盪電路和文氏電路振盪電路。

LC振盪電路

51c嵌入式~模擬電路~合集1_模擬電路_54

    LC電路,也稱為諧振電路、槽路或調諧電路,是包含一個電感(用字母L表示)和一個電容(用字母C表示)連接在一起的電路。該電路可以用作電諧振器(音叉的一種電學模擬),儲存電路共振時振盪的能量。

    LC電路既用於產生特定頻率的信號,也用於從更復雜的信號中分離出特定頻率的信號。它們是許多電子設備中的關鍵部件,特別是無線電設備,用於振盪器、濾波器、調諧器和混頻器電路中。

石英晶體振盪電路

51c嵌入式~模擬電路~合集1_模擬電路_55

    石英晶體是石英晶體諧振器的簡稱,將二氧化硅結晶體按一定的方向切割成很薄的晶片,再將晶片兩個對應的表面拋光和塗敷銀層,並作為兩個極引出管腳,加以封裝,就構成石英晶體諧振器。它具有非常穩定的固有頻率。

    石英晶體的形狀呈六角形柱體,需切割成適當尺寸之後才能使用。為得到不同振盪頻率的石英晶體,加工時需採用不同的切割方法。將一個切割的石英晶體夾在一對金屬片中間就構成了石英晶振,它具有壓電效應,即在晶片兩極外加電壓,晶振就會產生變形:反之如果外力使晶片變形,則在兩極金屬片上又會產生電壓,若加適當的交變電壓,石英晶體便會產生諧振。當所加的交變電壓頻率恰為石英晶體自然諧振頻率時,其振幅最大。

功率放大電路

51c嵌入式~模擬電路~合集1_模擬電路_56

    功率放大電路是一種以輸出較大功率為目的的放大電路。它一般直接驅動負載,帶載能力要強。功率放大電路通常作為多級放大電路的輸出級。

....

















五、模擬電路分析,八大基礎電路

  在電子電路中,電源、放大、振盪和調製電路被稱為模擬電子電路,因為它們加工和處理的是連續變化的模擬信號。

反饋

反饋是指把輸出的變化通過某種方式送到輸入端,作為輸入的一部分。如果送回部分和原來的輸入部分是相減的,就是負反饋。

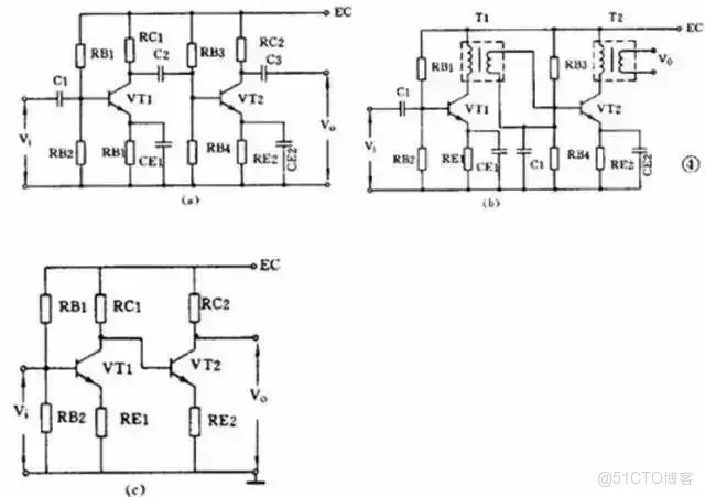
耦合

一個放大器通常有好幾級,級與級之間的聯繫就稱為耦合。放大器的級間耦合方式有三種:

①RC 耦合(見圖a): 優點是簡單、成本低。但性能不是最佳。

② 變壓器耦合(見圖b):優點是阻抗匹配好、輸出功率和效率高,但變壓器製作比較麻煩。

③ 直接耦合(見圖c): 優點是頻帶寬,可作直流放大器使用,但前後級工作有牽制,穩定性差,設計製作較麻煩。

51c嵌入式~模擬電路~合集1_模擬電路_57

功率放大器

能把輸入信號放大並向負載提供足夠大的功率的放大器叫功率放大器。例如收音機的末級放大器就是功率放大器。

3.1 甲類單管功率放大器

51c嵌入式~模擬電路~合集1_模擬電路_58

負載電阻是低阻抗的揚聲器,用變壓器可以起阻抗變換作用,使負載得到較大的功率。

這個電路不管有沒有輸入信號,晶體管始終處於導通狀態,靜態電流比較大,困此集電極損耗較大,效率不高,大約只有 35 %。這種工作狀態被稱為甲類工作狀態。這種電路一般用在功率不太大的場合,它的輸入方式可以是變壓器耦合也可以是 RC 耦合。

3.2 乙類推輓功率放大器

下圖是常用的乙類推輓功率放大電路。

51c嵌入式~模擬電路~合集1_模擬電路_59

它由兩個特性相同的晶體管組成對稱電路,在沒有輸入信號時,每個管子都處於截止狀態,靜態電流幾乎是零,只有在有信號輸入時管子才導通,這種狀態稱為乙類工作狀態。當輸入信號是正弦波時,正半周時 VT1 導通 VT2 截止,負半周時 VT2 導通 VT1 截止。兩個管子交替出現的電流在輸出變壓器中合成,使負載上得到純正的正弦波。這種兩管交替工作的形式叫做推輓電路。

3.3 OTL 功率放大器

目前廣泛應用的無變壓器乙類推輓放大器,簡稱 OTL 電路,是一種性能很好的功率放大器。為了易於説明,先介紹一個有輸入變壓器沒有輸出變壓器的 OTL 電路,如下圖所示。

51c嵌入式~模擬電路~合集1_模擬電路_60

直流放大器

能夠放大直流信號或變化很緩慢的信號的電路稱為直流放大電路或直流放大器。測量和控制方面常用到這種放大器。

4.1 雙管直耦放大器

直流放大器不能用 RC 耦合或變壓器耦合,只能用直接耦合方式。下圖是一個兩級直耦放大器。直耦方式會帶來前後級工作點的相互牽制,電路中在 VT2 的發射極加電阻 R E 以提高後級發射極電位來解決前後級的牽制。

直流放大器的另一個更重要的問題是零點漂移。所謂零點漂移是指放大器在沒有輸入信號時,由於工作點不穩定引起靜 態電位緩慢地變化,這種變化被逐級放大,使輸出端產生虛假信號。放大器級數越多,零點漂移越嚴重。所以這種雙管直耦放大器只能用於要求不高的場合。

51c嵌入式~模擬電路~合集1_模擬電路_61

4.2 差分放大器

解決零點漂移的辦法是採用差分放大器,下圖是應用較廣的射極耦合差分放大器。它使用雙電源,其中 VT1 和 VT2 的特性相同,兩組電阻數值也相同, R E 有負反饋作用。實際上這是一個橋形電路,兩個 R C 和兩個管子是四個橋臂,輸出電壓 V 0 從電橋的對角線上取出。沒有輸入信號時,因為 RC1=RC2 和兩管特性相同,所以電橋是平衡的,輸出是零。由於是接成橋形,零點漂移也很小。差分放大器有良好的穩定性,因此得到廣泛的應用。

51c嵌入式~模擬電路~合集1_模擬電路_62

集成運算放大器

集成運算放大器是一種把多級直流放大器做在一個集成片上,只要在外部接少量元件就能完成各種功能的器件。因為它早期是用在模擬計算機中做加法器、乘法器用的,所以叫做運算放大器。

振盪器

不需要外加信號就能自動地把直流電能轉換成具有一定振幅和一定頻率的交流信號的電路就稱為振盪電路或振盪器。這種現象也叫做自激振盪。或者説,能夠產生交流信號的電路就叫做振盪電路。

一個振盪器必須包括三部分:放大器、正反饋電路和選頻網絡。放大器能對振盪器輸入端所加的輸入信號予以放大使輸出信號保持恆定的數值。正反饋電路保證向振盪器輸入端提供的反饋信號是相位相同的,只有這樣才能使振盪維持下去。選頻網絡則只允許某個特定頻率f0能通過,使振盪器產生單一頻率的輸出。

振盪器能不能振盪起來並維持穩定的輸出是由以下兩個條件決定的;一個是反饋電壓Uf和輸入電壓 Ui要相等,這是振幅平衡條件。二是 Uf 和 Ui 必須相位相同,這是相位平衡條件,也就是説必須保證是正反饋。一般情況下,振幅平衡條件往往容易做到,所以在判斷一個振盪電路能否振盪,主要是看它的相位平衡條件是否成立。

振盪器按振盪頻率的高低可分成超低頻( 20赫以下)、低頻( 20赫~ 200千赫)、高頻(200千赫~ 30兆赫)和超高頻( 10兆赫~ 350兆赫)等幾種。按振盪波形可分成正弦波振盪和非正弦波振盪兩類。

正弦波振盪器按照選頻網絡所用的元件可以分成 LC 振盪器、 RC振盪器和石英晶體振盪器三種。石英晶體振盪器有很高的頻率穩定度,只在要求很高的場合使用。在一般家用電器中,大量使用着各種 LC振盪器和 RC 振盪器。

6.1 LC振盪器

LC 振盪器的選頻網絡是LC 諧振電路。它們的振盪頻率都比較高,常見電路有 3 種。

1) 變壓器反饋 LC 振盪電路

51c嵌入式~模擬電路~合集1_模擬電路_63

圖(a)是變壓器反饋 LC 振盪電路。晶體管 VT 是共發射極放大器。變壓器 T 的初級是起選頻作用的 LC 諧振電路,變壓器 T 的次級向放大器輸入提供正反饋信號。接通電源時, LC 迴路中出現微弱的瞬變電流,但是隻有頻率和迴路諧振頻率 f 0 相同的電流才能在迴路兩端產生較高的電壓,這個電壓通過變壓器初次級 L1 、 L2 的耦合又送回到晶體管 V 的基極。從圖(b)看到,只要接法沒有錯誤,這個反饋信號電壓是和輸入信號電壓相位相同的,也就是説,它是正反饋。因此電路的振盪迅速加強並最後穩定下來。

變壓器反饋 LC 振盪電路的特點是:頻率範圍寬、容易起振,但頻率穩定度不高。它的振盪頻率是:f 0 =1/2π LC 。常用於產生幾十千赫到幾十兆赫的正弦波信號。

2) 電感三點式振盪電路

51c嵌入式~模擬電路~合集1_模擬電路_64

圖(a)是另一種常用的電感三點式振盪電路。圖中電感 L1 、 L2 和電容 C 組成起選頻作用的諧振電路。從 L2 上取出反饋電壓加到晶體管 VT 的基極。從圖(b)看到,晶體管的輸入電壓和反饋電壓是同相的,滿足相位平衡條件的,因此電路能起振。由於晶體管的 3 個極是分別接在電感的 3 個點上的,因此被稱為電感三點式振盪電路。

電感三點式振盪電路的特點是:頻率範圍寬、容易起振,但輸出含有較多高次調波,波形較差。它的振盪頻率是:f 0 =1/2π LC ,其中 L=L1 + L2 + 2M 。常用於產生幾十兆赫以下的正弦波信號。

3) 電容三點式振盪電路

51c嵌入式~模擬電路~合集1_模擬電路_65

還有一種常用的振盪電路是電容三點式振盪電路,見圖(a)。圖中電感 L 和電容 C1 、 C2 組成起選頻作用的諧振電路,從電容 C2 上取出反饋電壓加到晶體管 VT 的基極。從圖(b)看到,晶體管的輸入電壓和反饋電壓同相,滿足相位平衡條件,因此電路能起振。由於電路中晶體管的 3 個極分別接在電容 C1 、 C2 的 3 個點上,因此被稱為電容三點式振盪電路。

電容三點式振盪電路的特點是:頻率穩定度較高,輸出波形好,頻率可以高達 100 兆赫以上,但頻率調節範圍較小,因此適合於作固定頻率的振盪器。它的振盪頻率是:f 0 =1/2π LC ,其中 C= C 1 +C 2 。

上面 3 種振盪電路中的放大器都是用的共發射極電路。共發射極接法的振盪器增益較高,容易起振。也可以把振盪電路中的放大器接成共基極電路形式。共基極接法的振盪器振盪頻率比較高,而且頻率穩定性好。

6.2 RC 振盪器

RC 振盪器的選頻網絡是 RC 電路,它們的振盪頻率比較低。常用的電路有兩種。

1) RC 相移振盪電路

51c嵌入式~模擬電路~合集1_模擬電路_66

RC 相移振盪電路的特點是:電路簡單、經濟,但穩定性不高,而且調節不方便。一般都用作固定頻率振盪器和要求不太高的場合。它的振盪頻率是:當 3 節 RC 網絡的參數相同時:f 0 = 1 2π 6RC 。頻率一般為幾十千赫。

2) RC 橋式振盪電路

51c嵌入式~模擬電路~合集1_模擬電路_67

RC 橋式振盪電路的性能比 RC 相移振盪電路好。它的穩定性高、非線性失真小,頻率調節方便。它的振盪頻率是:當 R1=R2=R 、 C1=C2=C 時 f 0 = 1 2πRC 。它的頻率範圍從 1 赫~ 1 兆赫。

調幅和檢波電路

廣播和無線電通信是利用調製技術把低頻聲音信號加到高頻信號上發射出去的。在接收機中還原的過程叫解調。其中低頻信號叫做調製信號,高頻信號則叫載波。常見的連續波調製方法有調幅和調頻兩種,對應的解調方法就叫檢波和鑑頻。

7.1 調幅電路

調幅是使載波信號的幅度隨着調製信號的幅度變化,載波的頻率和相位不變。能夠完成調幅功能的電路就叫調幅電路或調幅器。

調幅是一個非線性頻率變換過程,所以它的關鍵是必須使用二極管、三極管等非線性器件。根據調製過程在哪個迴路裏進行可以把三極管調幅電路分成集電極調幅、基極調幅和發射極調幅 3 種。下面舉集電極調幅電路為例。

51c嵌入式~模擬電路~合集1_模擬電路_68

上圖是集電極調幅電路,由高頻載波振盪器產生的等幅載波經 T1 加到晶體管基極。低頻調製信號則通過 T3 耦合到集電極中。C1 、 C2 、 C3 是高頻旁路電容, R1 、 R2 是偏置電阻。集電極的 LC 並聯迴路諧振在載波頻率上。如果把三極管的靜態工作點選在特性曲線的彎曲部分,三極管就是一個非線性器件。因為晶體管的集電極電流是隨着調製電壓變化的, 所以集電極中的 2 個信號就因非線性作用而實現了調幅。由於 LC 諧振迴路是調諧在載波的基頻上,因此在 T2 的次級就可得到調幅波輸出。

7.2 檢波電路

檢波電路或檢波器的作用是從調幅波中取出低頻信號。它的工作過程正好和調幅相反。檢波過程也是一個頻率變換過程,也要使用非線性元器件。常用的有二極管和三極管。另外為了取出低頻有用信號,還必須使用濾波器濾除高頻分量,所以檢波電路通常包含非線性元器件和濾波器兩部分。下面舉二極管檢波器為例説明它的工作原理。

51c嵌入式~模擬電路~合集1_模擬電路_69

上圖是一個二極管檢波電路。VD 是檢波元件, C 和 R 是低通濾波器。當輸入的已調波信號較大時,二極管 VD 是斷續工作的。正半周時,二極管導通,對 C 充電;負半周和輸入電壓較小時,二極管截止, C 對 R 放電。在 R 兩端得到的電壓包含的頻率成分很多,經過電容 C 濾除了高頻部分,再經過隔直流電容 C0 的隔直流作用,在輸出端就可得到還原的低頻信號。

調頻和鑑頻電路

調頻是使載波頻率隨調製信號的幅度變化,而振幅則保持不變。鑑頻則是從調頻波中解調出原來的低頻信號,它的過程和調頻正好相反。  開發板商城 天皓智聯 相x關內容mcu設備做測試 

8.1 調頻電路

能夠完成調頻功能的電路就叫調頻器或調頻電路。常用的調頻方法是直接調頻法,也就是用調製信號直接改變載波振盪器頻率的方法。下圖畫出了它的大意,圖中用一個可變電抗元件並聯在諧振迴路上。用低頻調製信號控制可變電抗元件參數的變化,使載波振盪器的頻率發生變化。

51c嵌入式~模擬電路~合集1_模擬電路_70

8.2 鑑頻電路

能夠完成鑑頻功能的電路叫鑑頻器或鑑頻電路,有時也叫頻率檢波器。鑑頻的方法通常分二步,第一步先將等幅的調頻波變成幅度隨頻率變化的調頻 — 調幅波,第二步再用一般的檢波器檢出幅度變化,還原成低頻信號。常用的鑑頻器有相位鑑頻器、比例鑑頻器等。

.....



















六、幾個模電小常識

隨着半導體技術和工藝的飛速發展,電子設備得到了廣泛應用,而作為一名電力工程師,模擬電路是一門很基礎的專業課,對於學生來説,獲得電子線路基本知識、基本理論和基本技能,能為深入學習電子技術打下基礎。

    必備的40個實用模擬電路小常識

1    電接口設計中,反射衰減通常在高頻情況下變差,這是因為帶損耗的傳輸線反射同頻率相x關,這種情況下,儘量縮短PCB走線就顯得異常重要。

2    穩壓二極管就是一種穩定電路工作電壓的二極管,由於特殊的內部結構特點,適用反向擊穿的工作狀態,只要限制電流的大小,這種擊穿是非破壞性的。

3    PN結具有一種很好的數學模型:開關模型à二極管誕生了à再來一個PN結,三極管誕生了。

4    高頻電路中,必須考慮PN結電容的影響(正向偏置為擴散電容,反相偏置為勢壘電容)。

5    在高密度的場合下,由於收發信號挨在一起,很容易發生串擾,這在佈線時要遵守3W原則,即相鄰PCB走線的中心線間距要大於PCB線寬的3倍。在插卡設備,接插件連接的位置,要有許多接地針,提供良好的射頻迴路。

6    雙極型管是電流控制器件,通過基極較小的電流控制較大的集電極電流;MOS管是電壓控制器件,通過柵極電壓控制源漏間導通電阻。

7    三極管是靠載流子的運動來工作的,以npn管射極跟隨器為例,當基極加不加電壓時,基區和發射區組成的pn結為阻止多子(基區為空穴,發射區為電子)的擴散運動,在此pn結處會感應出由發射區指向基區的靜電場(即內建電場)。

8    肖特基二極管(Schottky, SBD)適用於高頻開關電路,正向壓降和反相壓降都很低(0.2V)但是反向擊穿電壓較低,漏電流也較大。

9    抖動特性絕大部分取決於輸出芯片的特性,不過,如果PCB佈線不當,電源濾波不夠充分,時鐘參考源太沖太大也會增加抖動成分。信號線的匹配對抖動產生直接的影響。特別是芯片中含有倍頻功能,本身相位噪聲較大。

10    極型選擇是指BJT是用PNP還是NPN管,這應該在確定電源形式時同時考慮。有些三極管的外殼與某個電極相連,對於硅管來説往往是集電極。在需要某極接地時應考慮這個因素。

11    場效應晶體管與BJT在工作過程中有很大的區別:BJT中的電荷載體是空穴或被擊出的少量的“少子”,FET中的電荷則是數目相對多幾個數量級的自由電子,“多子”。

12    發射極正偏,集電極反偏是讓BJT工作在放大工作狀態下的前提條件。三種連接方式:共基極,共發射極(最多,因為電流,電壓,功率均可以放大),共集電極。判別三種組態的方法:共發射極,由基極輸入,集電極輸出;共集電極,由基極輸入,發射極輸出;共基極,由發射極輸入,集電極輸出。

13    三極管主要參數:電流放大係數β,極間反向電流,(集電極最大允許電流,集電極最大允許耗散功率,反向擊穿電壓=3個重要極限參數決定BJT工作在安全區域)。

14    因J-FET的Rgs很高,在使用時首先應注意無靜電操作,否則很容易發生柵極擊穿;另外就是在設計電路時應仔細考慮各極限參數,不能超出範圍。將J-FET當做可變電阻使用時應保證器件有正確的偏置,不能使之進入恆流區。

15    射極偏置電路:用於消除温度對靜態工作點的影響(雙電源更好)。

16    三種BJT放大電路比較:共射級放大電路,電流、電壓均可以放大。共集電極放大電路:只放大電流,跟隨電壓,輸入R大,輸出R小,用作輸入級,輸出級。共基極放大電路:只放大電壓,跟隨電流,高頻特性好。

17    去耦電容:輸出信號電容接地,濾掉信號的高頻雜波。旁路電容:輸入信號電容接地,濾掉信號的高頻雜波。交流信號針對這兩種電容處理為短路。

18    MOS-FET在使用中除了正確選擇參數以及正確的計算外,最值得強調的仍然是防靜電操作問題,在電路調試、焊接、安裝過程中,一定要嚴格按照防靜電程序操作。

19    主流是從發射極到集電極的IC,偏流就是從發射極到基極的Ib。相對與主電路而言,為基極提供電流的電路就是所謂的偏置電路。

20    場效應管三個鋁電極:柵極g,源極s,漏極d。分別對應三極管的基極b,發射極e,集電極c。<源極需要發射東西嘛,所以對應發射極e,柵極的英文名稱是gate,門一樣的存在,和基極的作用差不多>其中P型襯底一般與柵極g相連。

21    增強型FET必須依靠柵源電壓Vgs才能起作用(開啓電壓Vt),耗盡型FET則不需要柵源電壓,在正的Vds作用下,就有較大的漏極電流流向源極(如果加負的Vgs,那麼可能出現夾斷,此時的電壓成為夾斷電壓Vp***重要特性***:可以在正負的柵源電壓下工作)

22    N溝道的MOS管需要正的Vds(相當於三極管加在集電極的Vcc)和正的Vt(相當於三極管基極和發射極的Vbe),而P溝道的MOS管需要負的Vds和負的Vt。

23    VMOSFET有高輸入阻抗、低驅動電流;開關速度塊、高頻特性好;負電流温度係數、無熱惡性循環,熱穩定型優良的優點。

24    運算放大器應用時,一般應用負反饋電流。

25    差分式放大電路:差模信號:兩輸入信號之差。共模信號:兩輸入信號之和除以2。由此:用差模與共模的定義表示兩輸入信號可得到一個重要的數學模型:任意一個輸入信號=共模信號±差模信號/2。

26    差分式放大電路只放大差模信號,抑制共模信號。利用這個特性,可以很好的抑制温度等外界因素的變化對電路性能的影響。具體的性能指標:共模抑制比Kcmr。

27    二極管在從正偏轉換到反偏的時候,會出現較大的反向恢復電流從陰極流向陽極,其反向電流先上升到峯值,然後下降到零。

28    在理想的情況下,若推輓電路的兩隻晶體管電流、電壓波完全對稱,則輸出電流中將沒有偶次諧波成分,及推輓電路由已知偶次諧波的作用。實際上由於兩管特性總有差異,電路也不可能完全對稱,因此輸出電流還會有偶次諧波成分,為了減少非線性失真,因儘量精選配對管子。

29    為了獲得大的輸出功率,加在功率晶體管上的電壓、電流就很大,晶體管工作在大信號狀態下。這樣晶體管的安全工作就成為功率放大器的一個重要問題,一般不以超過管子的極限參數(Icm、BVceo、Pcm)為限度。

30    放大電路的干擾:1、將電源遠離放大電路2、輸入級屏蔽3、直流電源電壓波動(採用穩壓電源,輸入和輸出加上濾波電容)。

31    負反饋放大電路的四種組態:電壓串聯負反饋(穩定輸出電壓),電壓並聯負反饋,電流串聯負反饋(穩定輸出電流),電流並聯負反饋。

32    電壓、電流反饋判定方法:輸出短路法,設RL=0,如果反饋信號不存在,為電壓反饋,反之,則為電流反饋。

33    串聯、並聯反饋的判定方法:反饋信號與輸入信號的求和方式,若為電壓形式,則為串聯反饋,若為電流形式,則為並聯反饋。

34    對於NPN電路,對於共射組態,可以粗略理解為把VE當作“固定”參考點,通過控制VB來控制VBE(VBE=VB-VE),從而控制IB,並進一步控制IC(從電位更高的地方流進C極,你也可以把C極看作朝上的進水的漏斗)。

35    對於數字電路來説,VCC是電路的供電電壓,VDD是芯片的工作電壓(通常Vcc>Vdd),VSS是接地點;在場效應管(或COMS器件)中,VDD為漏極,VSS為源極,VDD和VSS指的是元件引腳,而不表示供電電壓。

36    示波器探頭有一條地線和一條信號線,地線就是和示波器輸入端子外殼通的那一條,一般是夾子狀的,信號線一般帶有一個探頭鈎,連接的話你把示波器地線接到你設備的地,把信號線端子接到你的信號端,注意如果要測量的信號和市電沒有隔離,則不能直接測量。

37    驅動能力不足含有兩種情況:一是器件的輸入電阻太小,輸出波形會變形,如TTL電平驅動不了繼電器;二是器件輸入電阻夠大,但是達不到器件的功率,如小功率的功放,驅動大功率的喇叭,喇叭能響,但音量很小,其實是輸出的電壓不夠大。

38    濾波電路:利用電抗元件的儲能作用,可以起到很好的濾波作用。電感(串聯,大功率)和電容(並聯,小功率)均可以起到平波的作用。

39    開關穩壓電源與線性電源:線性電源,效率低、發熱強、但是輸出很穩定。開關電源,效率高、發熱一般、但輸出紋波大,需要平波。

40    由電子電路內因引發的故障類型有:晶體管、電容、電阻等電子元件性能發生改變引發的故障;電子電路中有關線路接觸不良引發的故障等。由外因引起的電子電路故障類型有:技術人員使用電子電路時未按照説明要求進行操作;維修技術人員維修程序不規範不科學等。



...



















七、單片機ADC轉換精度的誤差來源

本篇文章列出了影響模數轉換精度的主要誤差。這些類型的誤差存在於所有模數轉換器中,轉換質量將取決於它們的消除情況。

STM32微控制器數據手冊的ADC特性部分規定了這些誤差值。規定了STM32 ADC的不同精度誤差類型。為便於參考,將精度誤差表達為1 LSB的倍數。就電壓而言,分辨率取決於參考電壓。通過將LSB數乘以1 LSB對應的電壓來計算電壓誤差。

1 偏移誤差

偏移誤差是第一次實際轉換和第一次理想轉換之間的偏離。第一次轉換髮生在數字ADC輸出 從0變為1時。理想情況下,當模擬輸入介於0.5 LSB和1.5 LSB之間時,數字輸出應為1。仍然是理想情況下,第一次轉換髮生在0.5 LSB處。用EO表示偏移誤差。可通過應用固件輕鬆校準偏移誤差。

示例:

對於STM32 ADC,電壓的最小可檢測增量變化用LSB表示為:

 1 LSB = VREF+/4096(在某些封裝上,VREF+ = VDDA) 

如果 VREF+=3.3 V,則在理想情況下, 402.8 µV(0.5 LSB = 0.5 × 805.6 µV)的輸入應導致生成數字輸出 1。但實際上,ADC可能仍然提供讀數 0。如果從550 µV的模擬輸入獲得 數字輸出 1,則:

 偏移誤差 = 實際轉換 – 理想轉換 

EO = 550 µV – 402.8 µV = 141.2 µV 

EO = 141.2 µV / 805.6 µV = 0.17 LSB

當大於0.5 LSB的模擬輸入電壓生成第一次轉換時,偏移誤差為正。如下圖:

51c嵌入式~模擬電路~合集1_模擬電路_71

當小於0.5 LSB的模擬輸入電壓生成第一次轉換時,偏移誤差為負。如下圖:

51c嵌入式~模擬電路~合集1_模擬電路_72

2 增益誤差

增益誤差是最後一次實際轉換和最後一次理想轉換之間的偏離。增益誤差用EG表示。最後一次實際轉換是從0xFFE到0xFFF的轉換。

理想情況下,當模擬輸入等於VREF+ – 0.5  LSB時,應存在從0xFFE到0xFFF的轉換。因此對於VREF+= 3.3 V,最後一次理想轉換應發生 在3.299597 V處。如果ADC提供VAIN < VREF+ – 0.5 LSB的0xFFF讀數,將獲得負增益誤差。

示例:

按以下公式計算增益誤差: 

EG = 最後一次實際轉換 – 理想轉換 

如果VREF+ = 3.3 V且VAIN = 3.298435 V時生成從0xFFE到0xFFF的轉換,則:

 EG = 3.298435 V – 3.299597 V 

EG = –1162 µV 

EG = (–1162 µV / 805.6 V) LSB = –1.44 LSB 

如果VAIN等於VREF+時沒有得到滿量程讀數(0xFFF),則增益誤差為正。

正增益誤差的表示方法:

51c嵌入式~模擬電路~合集1_模擬電路_73

負增益誤差的表示方法:

51c嵌入式~模擬電路~合集1_模擬電路_74

3 微分線性誤差

微分線性誤差(DLE)為實際步進和理想步進之間的最大偏離。這裏的“理想情況”不是指理想傳輸曲線,而是指ADC分辨率。在下圖中,用ED表示DLE。 

ED = 實際步寬 – 1 LSB

理想情況下,1 LSB的模擬輸入電壓變化量應導致數字代碼變化。如果需要大於1 LSB的模擬輸入電壓才能導致數字代碼變化,將觀察到微分線性誤差。因此,DLE對應於從一個數字代 碼變為下一個數字代碼所需的最大額外電壓。DLE也稱為微分非線性(DLE)誤差。

示例:

給定數字輸出應對應於模擬輸入範圍。理想情況下,步寬應為1 LSB。我們假設1.9998 V至 2.0014 V模擬輸入電壓範圍內的數字輸出相同,則步寬為:2.0014 V – 1.9998 V = 1.6 mV。因此,ED等於較高(2.0014 V)和較低(1.9998 V)模擬電壓之間的電壓差減去1 LSB所對應的電壓。

51c嵌入式~模擬電路~合集1_模擬電路_75

如果VREF+ = 3.3 V,則1.9998 V(0x9B1)的模擬輸入可提供介於0x9B0和0x9B2之間的結 果。同樣地,2.0014 V(0x9B3)的輸入可提供介於0x9B2和0x9B4之間的結果。因此,0x9B2步進所對應的總電壓變化量為: 

0x9B3 – 0x9B1

即 2.0014 V – 1.9998 V = 1.6 mV (1660 µV) 

ED = 1660 µV – 805.6 µV 

ED = 854.4 µV 

ED = (854.4 µV/805.6 µV) LSB 

ED = 1.06 LSB 

假設當步寬小於1 LSB時,電壓高於2.0014 V不會導致0x9B2數字代碼,則ED為負。

4 積分線性誤差

積分線性誤差為任何實際轉換和端點相x關線間的最大偏離。在下圖中,用EL表示ILE。端點相x關線可以定義為A/D傳輸曲線上連接第一次實際轉換與最後一次實際轉換的線。EL是指與每一次轉換的這條線的偏離。因此,端點相x關線對應於實際傳輸曲線並且與理想傳輸曲線不相x關。ILE也稱為積分非線性(INL)誤差。ILE是整個範圍內DLE的積分。

51c嵌入式~模擬電路~合集1_模擬電路_76

示例: 

如果從 0 到 1 的第一次轉換髮生在 550 µV 處並且最後一次轉換(0xFFE 到 0xFFF)發生在 3.298435 V(增益誤差)處,則傳輸曲線上連接實際數字代碼 0x1 和 0xFFF 的線為端點相x關線。

5 總未調整的誤差

總未調整誤差(TUE)為實際和理想傳輸曲線間的最大偏離。此參數指定可能發生的會導致理想數字輸出與實際數字輸出之間最大偏離的總誤差。TUE是記錄到的任何輸入電壓的理想預期值與從ADC獲得的實際值之間的最大偏離。在下圖中,用ET表示TUE。TUE不是EO、EG、EL與ED之和。偏移誤差影響較低電壓的數字結果,而增益誤差影響較高電壓的數字輸出。 

示例:

如果VREF+ = 3.3 V且VAIN = 2 V,則理想結果為0x9B2。但是,如果得到的轉換結果為0x9B4, 由於DLE和ILE同時發生,因此偏離可能源於偏移。 

TUE = 絕對(實際值 – 理想情況值) 

       = 0x9B4 – 0x9B2 = 0x2 = 2 LSB

51c嵌入式~模擬電路~合集1_模擬電路_77

how-to-get-the-best-adc-accuracy-in-stm32-microcontrollers-stmicroelectronics.pdf

....



















八、搞定這個電路,模電又上升一個台階

據説下文這個電路刷掉一大部分面試者,一起來分析一下吧。

電路圖

    有兩個晶體管(transistor),一個NPN和一個PNP,連接方式下圖所示。假設此晶體管是硅(Si),並顯示0.6伏特(V)基極至發射極電壓,且兩個晶體管的ß值非常高,使得基極電流幾乎為零。求電壓V??

51c嵌入式~模擬電路~合集1_模擬電路_78

分析

第一步

51c嵌入式~模擬電路~合集1_模擬電路_79

    對於NPN基本上為零的基極電流,R1和R2的電壓在NPV的基礎上將+12V導通電壓分壓為+4V。當Vbe為0.6V時,NPN發射極為+3.4V,在R3中流過的電流為3.4mA。

第二步

    接下來的問題是,NPN發射器和R5如何共享3.4mA電流?

51c嵌入式~模擬電路~合集1_模擬電路_80


    PNP的Vbe為0.6V,如此使得R4中的電流為0.06mA或60μA。在PNP基極電流幾乎為零的情況下,由於NPN的ß值非常高,60μA成為NPN的集電極(collector)電流,也變成NPN的發射極電流。  

    流過R5的電流必須是R3的3.4mA電流和NPN發射極的0.06 mA電流之間的差值。該值為3.4-0.06=3.34mA。

第三步

51c嵌入式~模擬電路~合集1_模擬電路_81

    R5上的電壓降為3.34V,當加到R3頂端的3.4V時,將R5和PNP集電極的頂端放在+ 6.74V。

....




















九、xxx





...



















十、xxx





...